GM Service Manual Online
For 1990-2009 cars only
Makes
🢒
Chevrolet
🢒
1999
🢒
Astro - 4WD
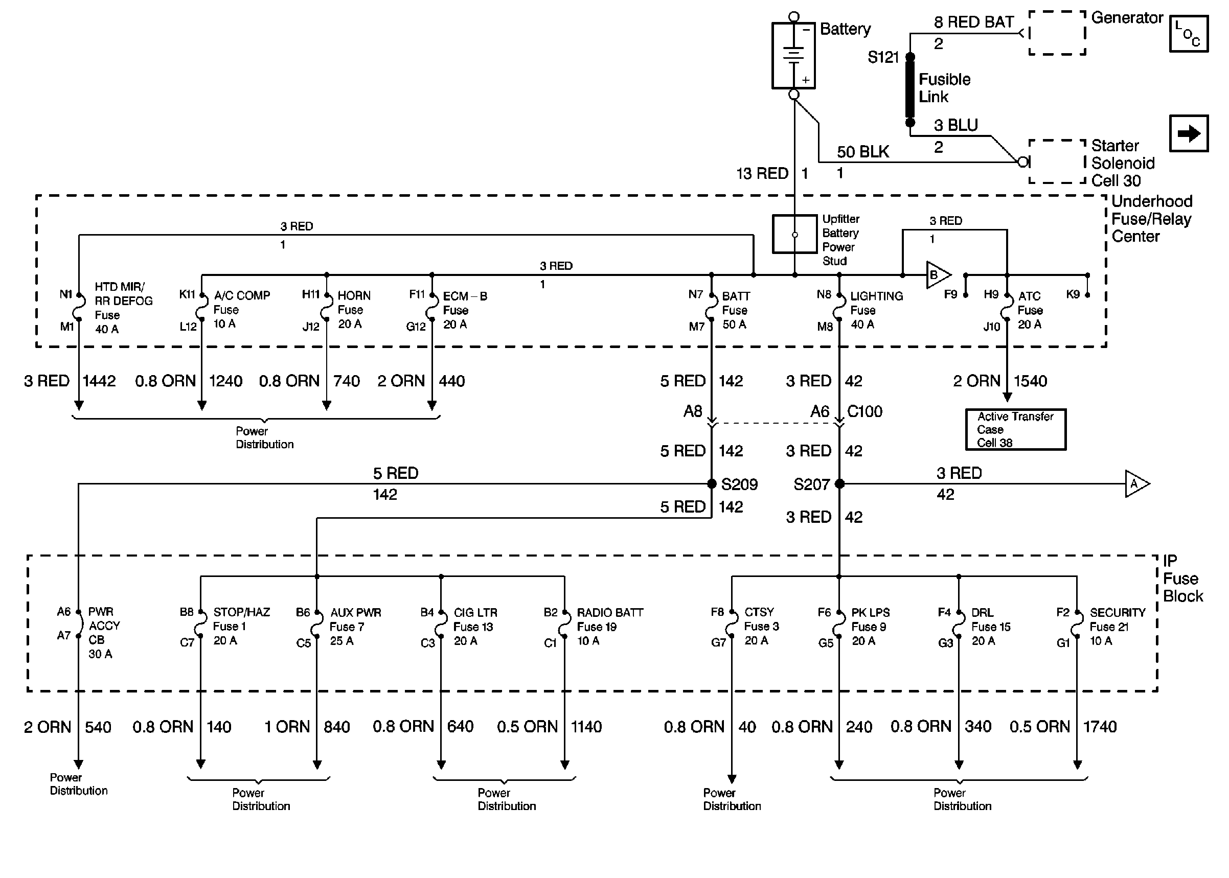
🢒 B+ Bus
B+ Bus
B+ Bus
Power and Grounding Components
B+ Bus, Ignition Switch, Run Bus
B+ Bus, Ignition Switch, Run Bus
Cell 38: Power, Ground, Motor Controls and Data Link
HTD MIR/RR DEFOG, A/C COMP, HORN, ECM-B Fuses
B+ Bus, Ignition Switch, Run Bus
PWR ACCY Fuse
STOP/HAZ, AUX PWR Fuses
CIG LTR, RADIO BATT, CRANK Fuses
CTSY Fuse
CTSY (cont), PK LPS, DRL, SECURITY Fuses