GM Service Manual Online
For 1990-2009 cars only
Makes
🢒
Chevrolet
🢒
1999
🢒
Astro - 4WD
🢒 Fuel Delivery
Fuel Delivery
Fuel Delivery
Engine Controls Components
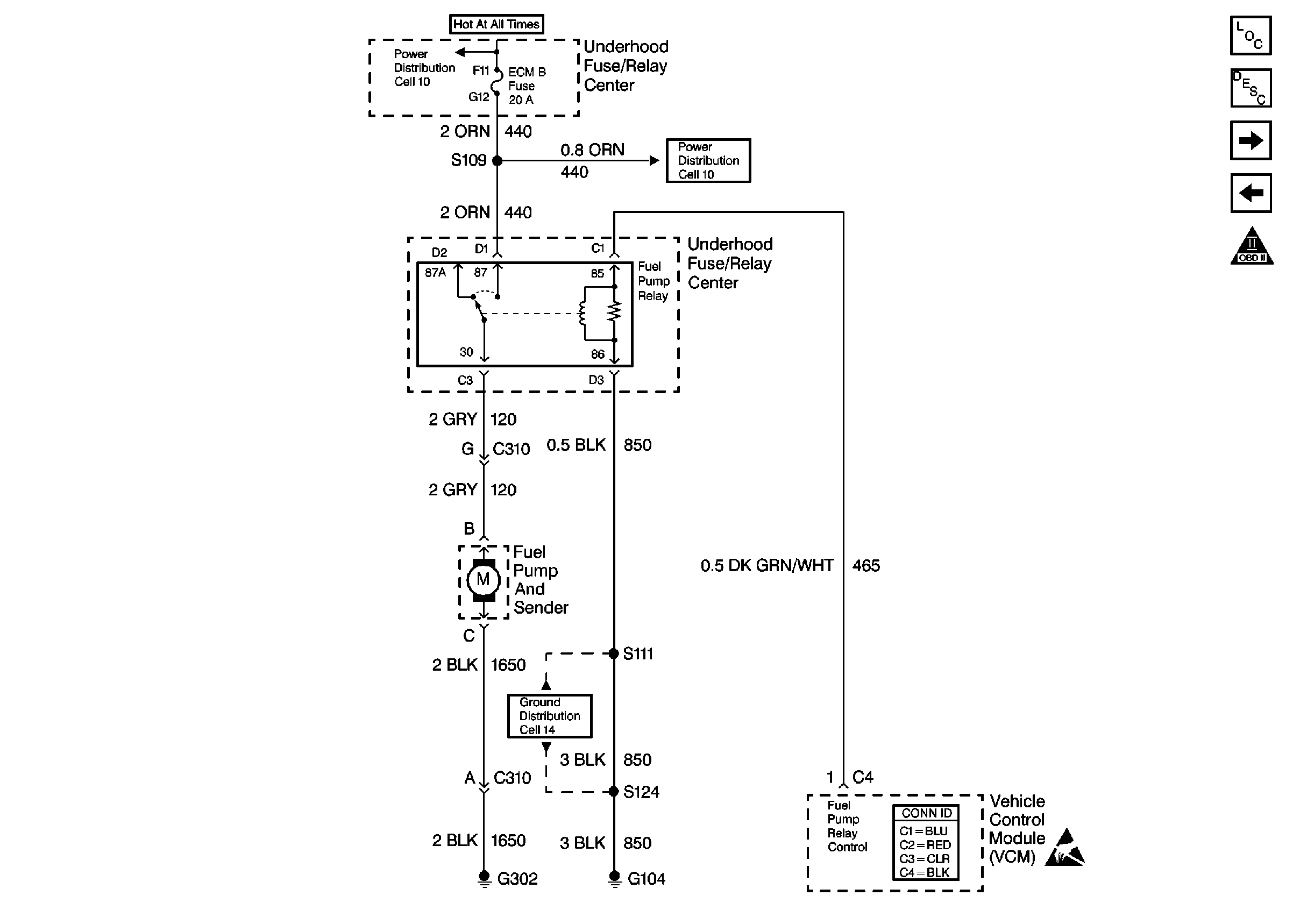
Central Sequential Duel Injection Fuel System Description
Fuel Injection Controls
Ignition System Controls
Engine Controls Schematic Icons
Engine Controls Schematic Icons
B+ Bus
B+ Bus
Cell 14 (G104)