GM Service Manual Online
For 1990-2009 cars only
Makes
🢒
Chevrolet
🢒
2000
🢒
Astro - 4WD
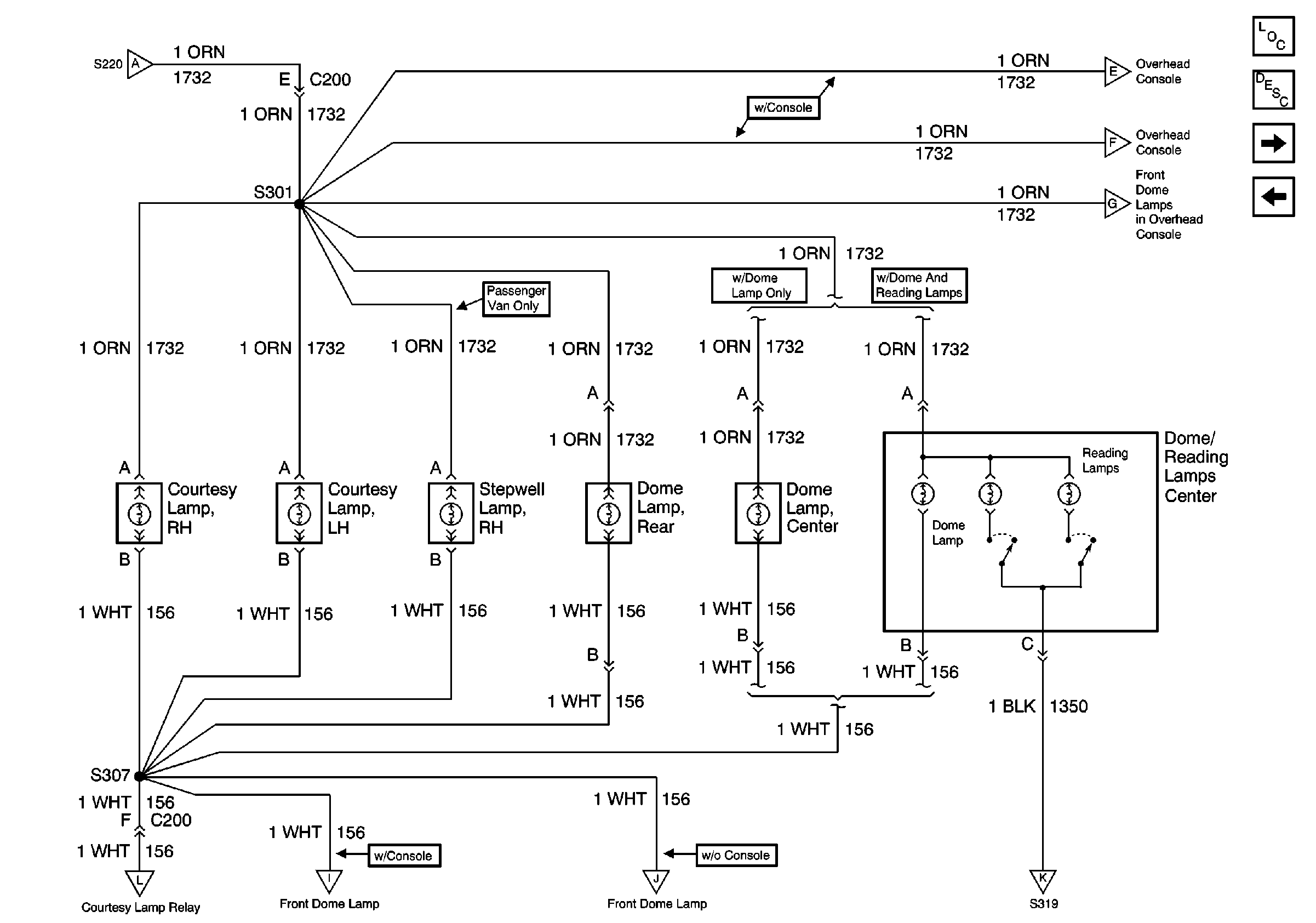
🢒 Courtesy Lamps, Stepwell Lamp, Dome Lamps
Courtesy Lamps, Stepwell Lamp, Dome Lamps
Courtesy Lamps, Stepwell Lamp, Dome Lamps
Lighting Systems Components
Interior Lights Circuit Description
Front Dome/Reading Lamps
Door Jamb Switches, Liftgate Strut Switch
Inadvertent Power Relay, Vanity Lamps
Front Dome/Reading Lamps
Front Dome/Reading Lamps
Front Dome/Reading Lamps
Courtesy Lamp Relay
Front Dome/Reading Lamps
Front Dome/Reading Lamps
Front Dome/Reading Lamps