GM Service Manual Online
For 1990-2009 cars only
Makes
🢒
Chevrolet
🢒
2001
🢒
Astro - 4WD
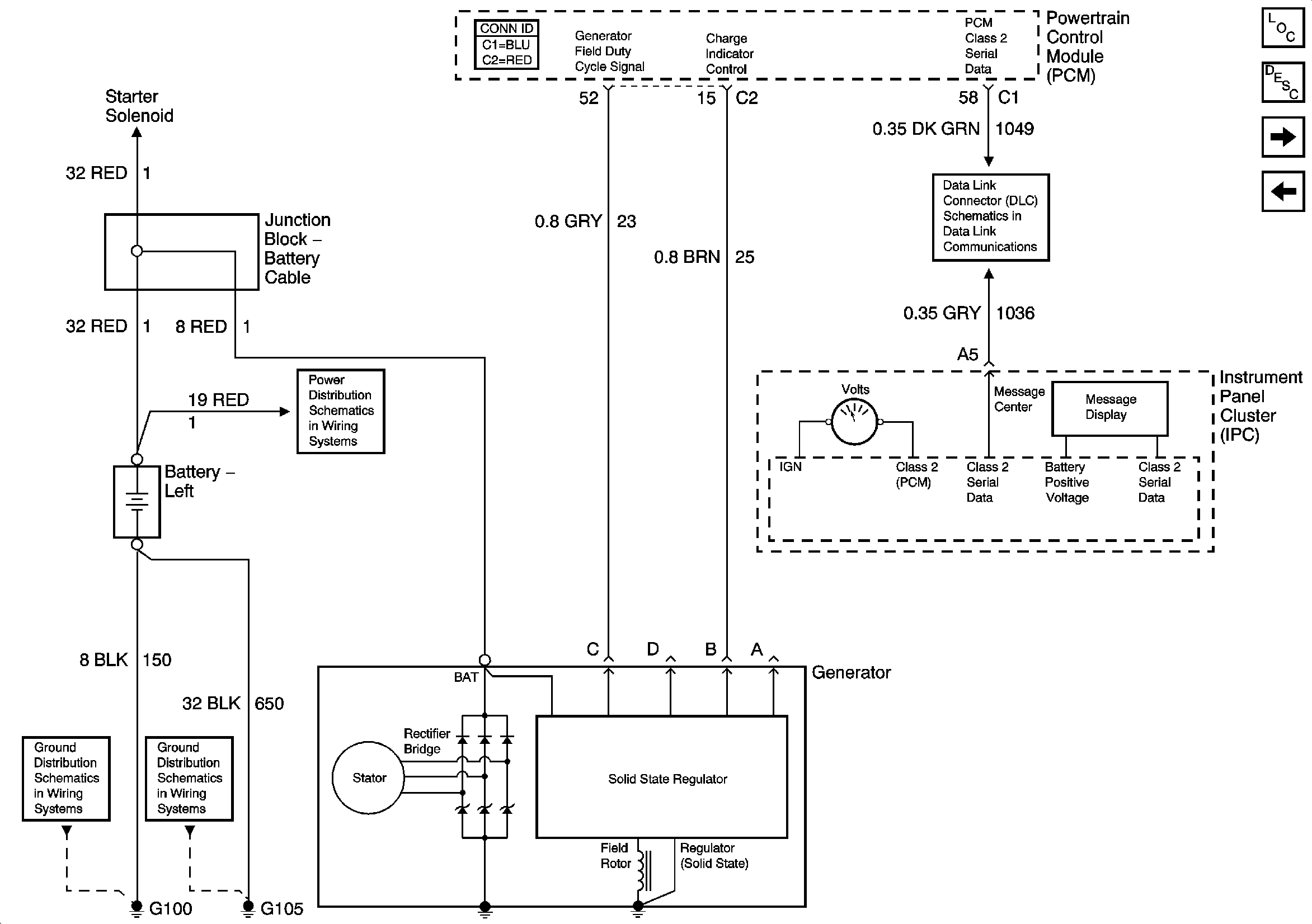
🢒 Charging - Except Diesel Dual Generator
Charging - Except Diesel Dual Generator
Charging - Except Diesel Dual Generator
Master Electrical Component List
Charging System Description and Operation
Starting - Diesel Dual Generator
Starting - Except Diesel Dual Generator
B+ Bus Bar
SP205
G100 and G110
G103 and G105 - Gas
Starting - Except Diesel Dual Generator