GM Service Manual Online
For 1990-2009 cars only
Makes
🢒
Chevrolet
🢒
2001
🢒
Astro - 4WD
🢒 Starting - Except Diesel Dual Generator
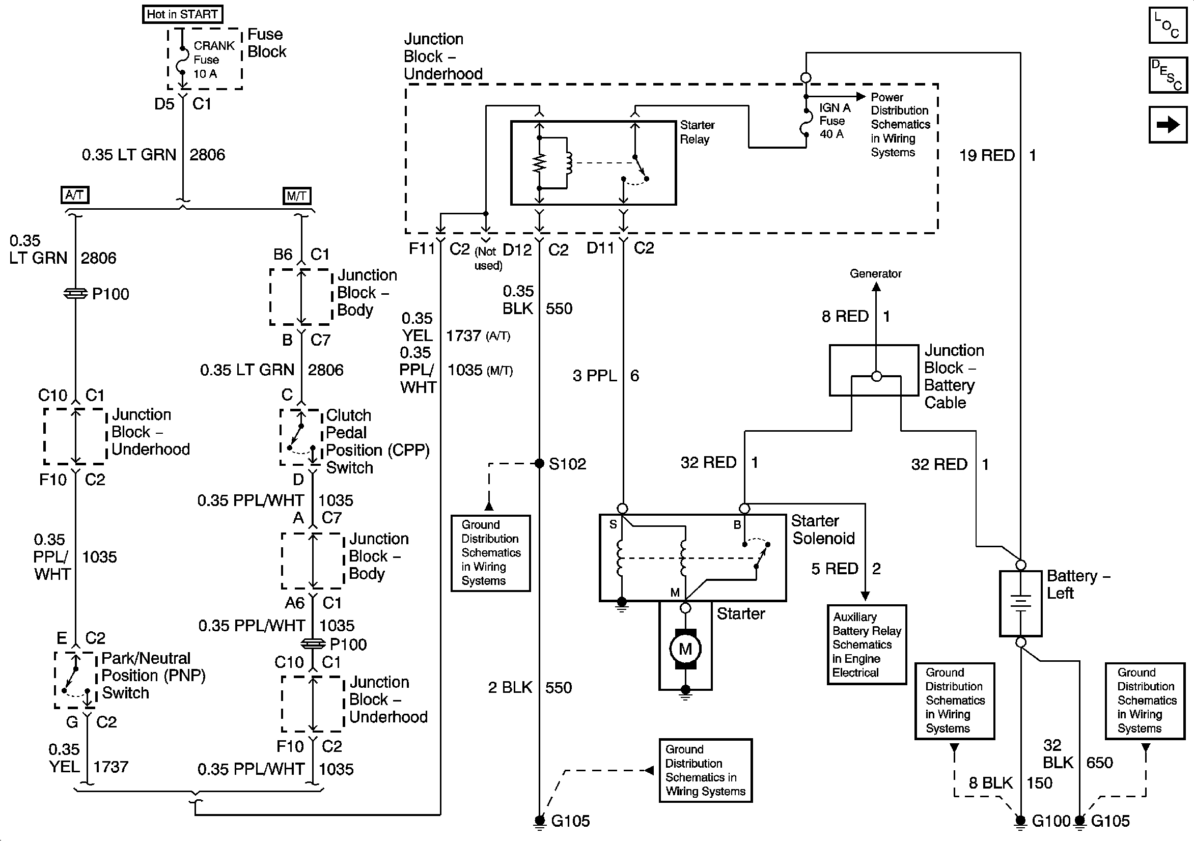
Starting - Except Diesel Dual Generator
Starting - Except Diesel Dual Generator
Master Electrical Component List
Charging System Description and Operation
Charging - Except Diesel Dual Generator
B+ Bus Bar
Charging - Except Diesel Dual Generator
G104 - Gas
G103 and G105 - Gas
Auxiliary Battery Schematics
G100 and G110
G103 and G105 - Gas