GM Service Manual Online
For 1990-2009 cars only
Makes
🢒
Chevrolet
🢒
2002
🢒
Astro - 4WD
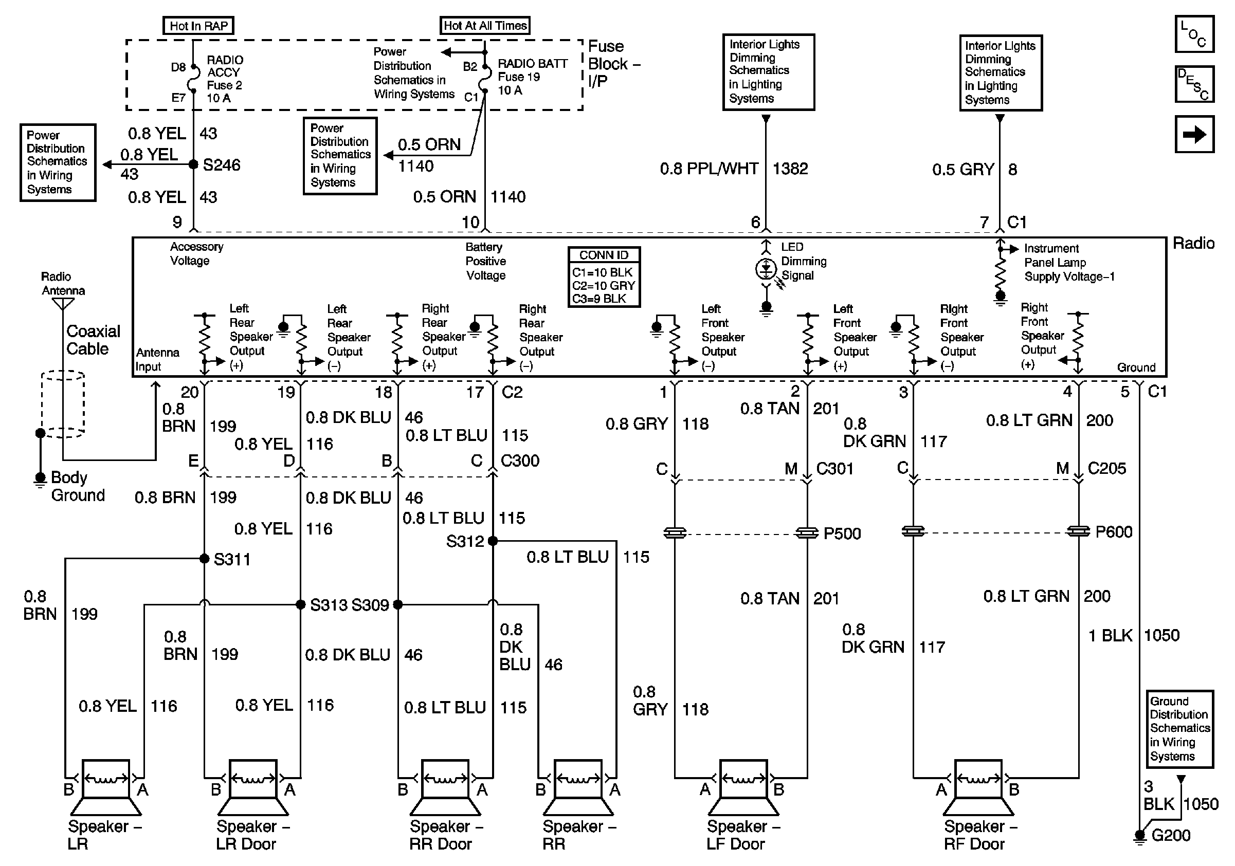
🢒 Base Radio
Base Radio
Base Radio
Master Electrical Component List
Radio/Audio System Description and Operation
Power and Ground (Premium w/o RSA)
Battery and Lighting Fuse
Radio, Overhead Console, and RSA
Illumination
Wiper, Radio Accessory, and Rear Wiper Fuses
Cig Lighter Fuse, Radio Battery Fuse and Crank Fuse
G200