GM Service Manual Online
For 1990-2009 cars only
Makes
🢒
Chevrolet
🢒
1996
🢒
Blazer - 2WD
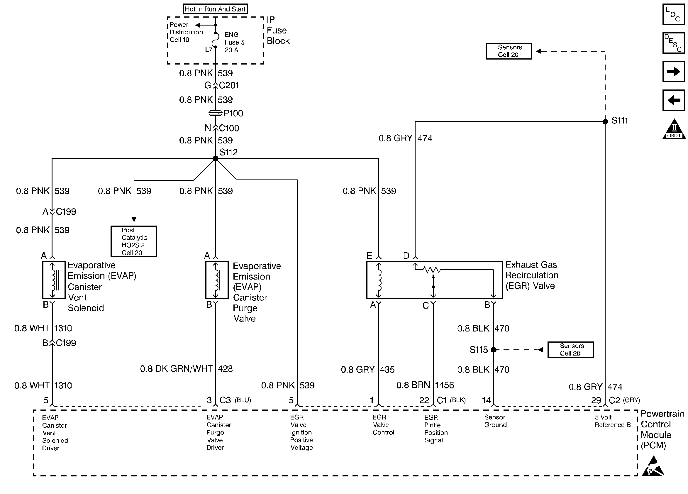
🢒 EVAP and EGR System
EVAP and EGR System
EVAP and EGR System
Handling ESD Sensitive Parts Notice
Engine Controls Components
Evaporative Emission Control System General Description
Pre and Post Oxygen Sensors
MAP, A/C, and Fuel Tank Pressure Sensors
OBD II Symbol Description Notice