GM Service Manual Online
For 1990-2009 cars only
Makes
🢒
Chevrolet
🢒
1997
🢒
Blazer - 2WD
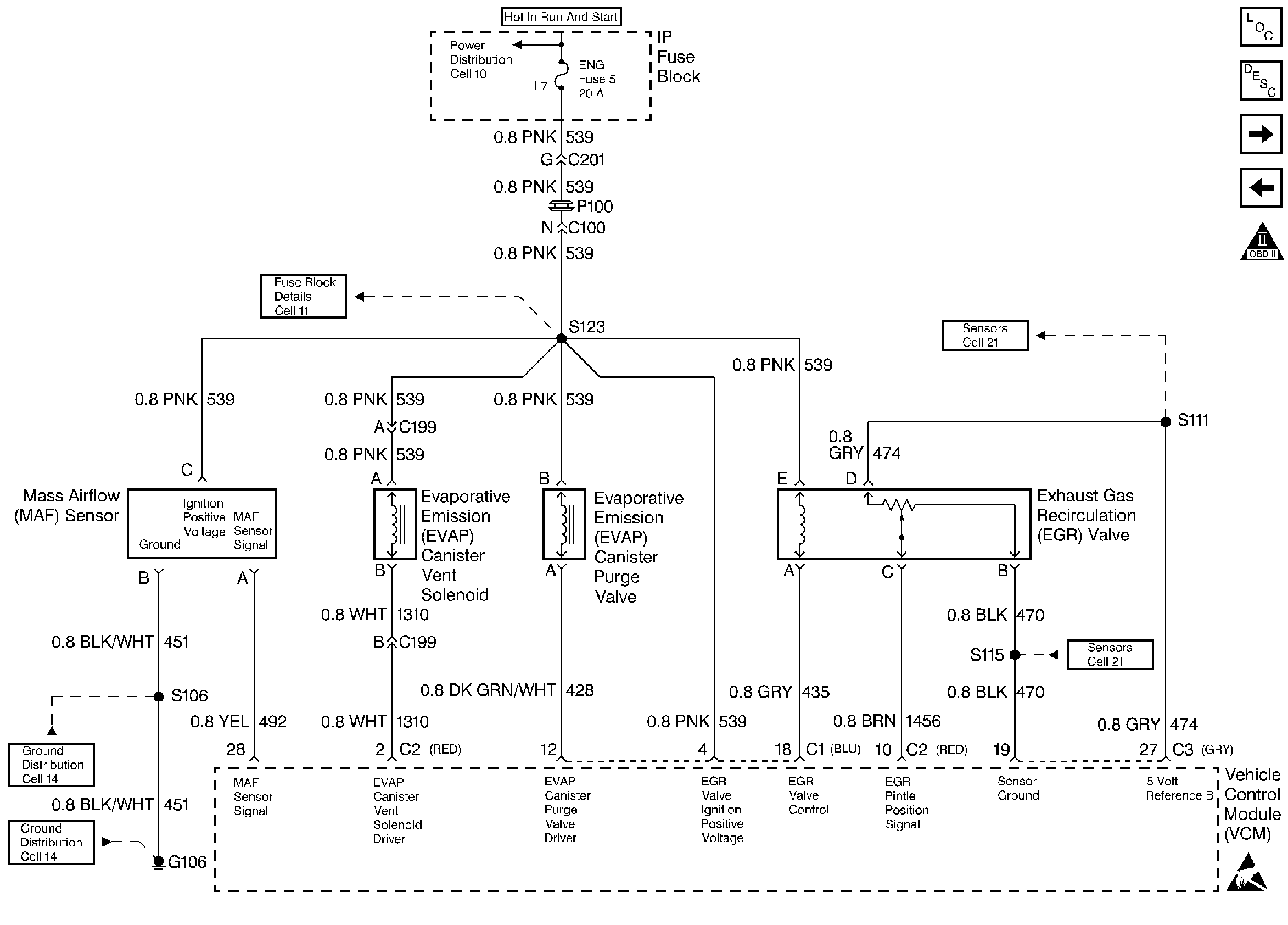
🢒 MAF, EVAP, and the EGR
MAF, EVAP, and the EGR
MAF, EVAP, and the EGR
Handling ESD Sensitive Parts Notice
Engine Controls Components
Information Sensors
Heated Oxygen Sensors
MAP, IAT, TP, ECT, and the Fuel Tank Pressure Sensors
OBD II Symbol Description Notice