GM Service Manual Online
For 1990-2009 cars only
Makes
🢒
Chevrolet
🢒
1998
🢒
Blazer - 2WD
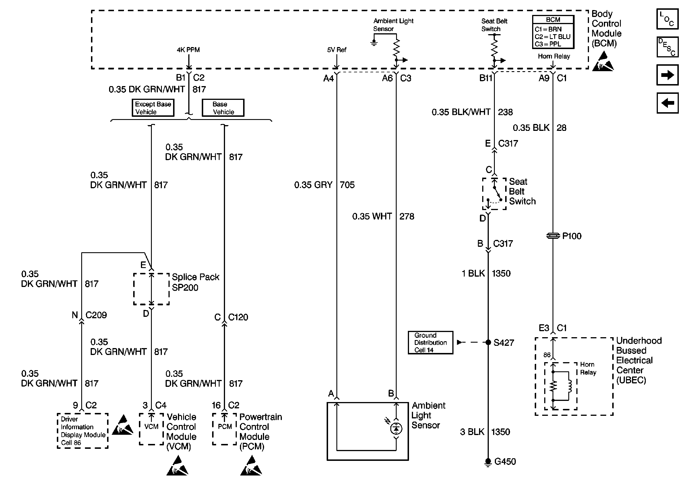
🢒 Cell 51: Ambient Light Sensor
Cell 51: Ambient Light Sensor
Cell 51: Ambient Light Sensor
Body Control Module Components
Body Control System Circuit Description
Cell 51: Remote Control Door Lock Receiver
Cell 51: Passlock Sensor
Handling ESD Sensitive Parts Notice
Handling ESD Sensitive Parts Notice
Handling ESD Sensitive Parts Notice
Handling ESD Sensitive Parts Notice
Driver Information System Schematics
Ground Distribution Schematics