GM Service Manual Online
For 1990-2009 cars only
Makes
🢒
Chevrolet
🢒
1998
🢒
Blazer - 2WD
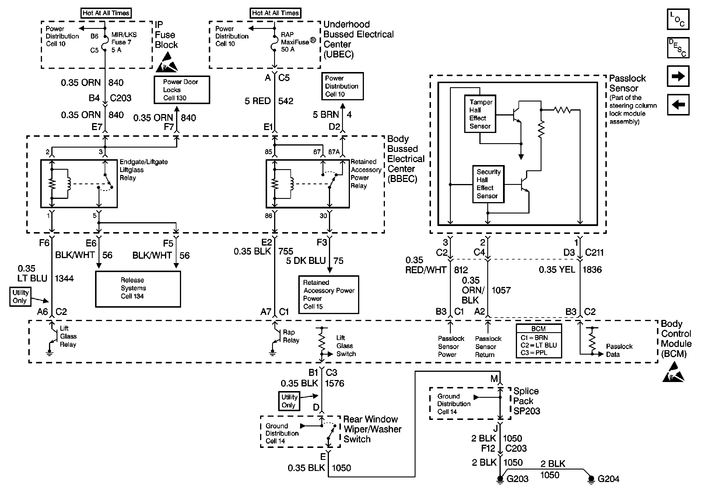
🢒 Cell 51: Passlock Sensor
Cell 51: Passlock Sensor
Cell 51: Passlock Sensor
Body Control Module Components
Body Control System Circuit Description
Cell 51: Ambient Light Sensor
Cell 51: UBEC, Steering Column Assembly and Horns
Handling ESD Sensitive Parts Notice
Ground Distribution Schematics
Ground Distribution Schematics
Retained Accessory Power (RAP) Schematics
Release Systems Schematics
Door Lock/Indicator Schematics
Power Distribution Schematics
Power Distribution Schematics
Power Distribution Schematics