GM Service Manual Online
For 1990-2009 cars only
Makes
🢒
Chevrolet
🢒
1998
🢒
Blazer - 2WD
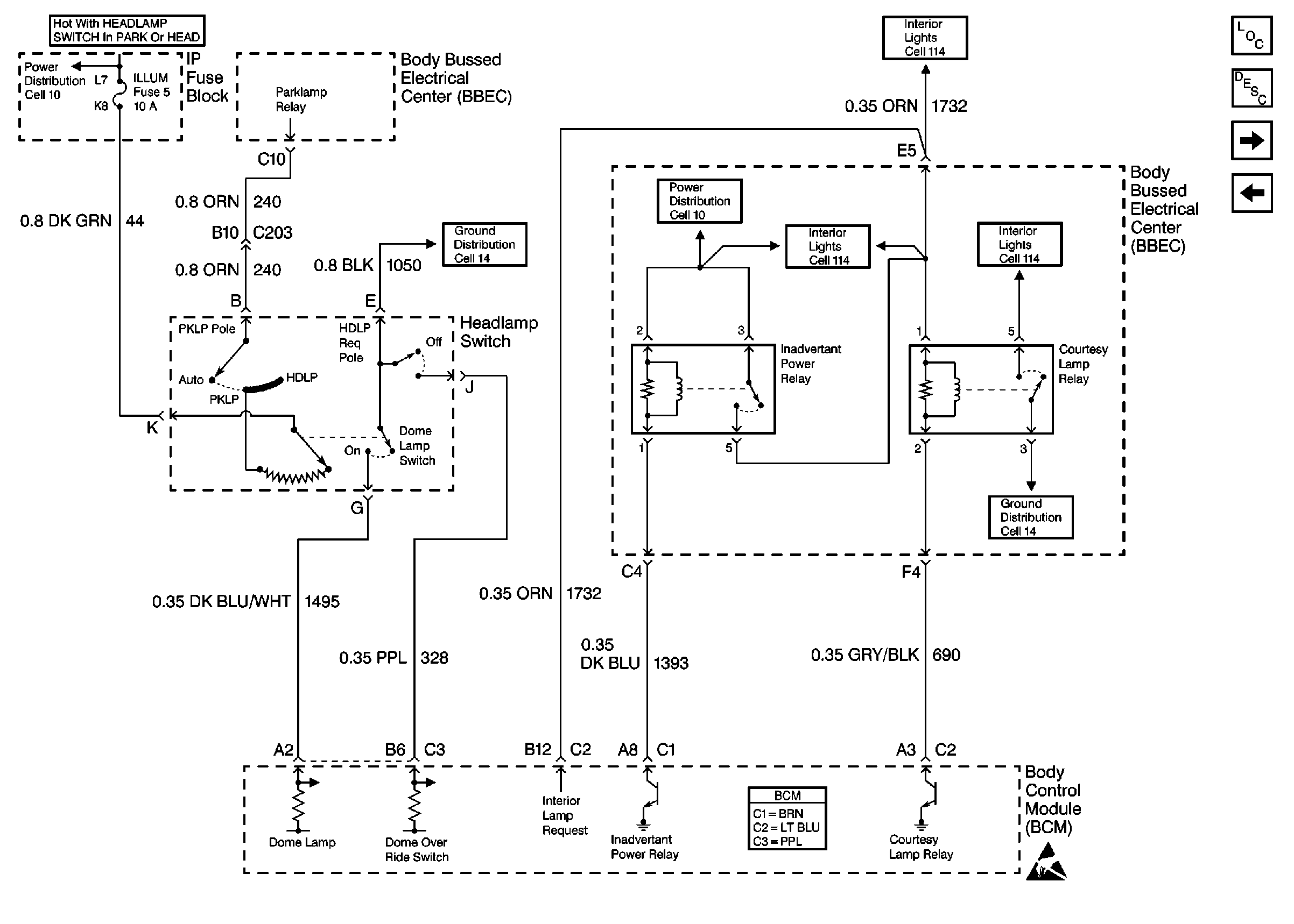
🢒 Cell 51: Headlamp Switch
Cell 51: Headlamp Switch
Cell 51: Headlamp Switch
Body Control Module Components
Body Control System Circuit Description
Cell 51: Instrument Cluster and Turn Signal Switch
Cell 51: Rear Side Door, Liftgate Liftglass and Liftgate Ajar Jamb Switches and Ignition Key Alarm Switch
Ground Distribution Schematics
Ground Distribution Schematics
Ground Distribution Schematics
Ground Distribution Schematics
Power Distribution Schematics
Ground Distribution Schematics
Handling ESD Sensitive Parts Notice
Power Distribution Schematics