GM Service Manual Online
For 1990-2009 cars only
Makes
🢒
Chevrolet
🢒
1998
🢒
Blazer - 2WD
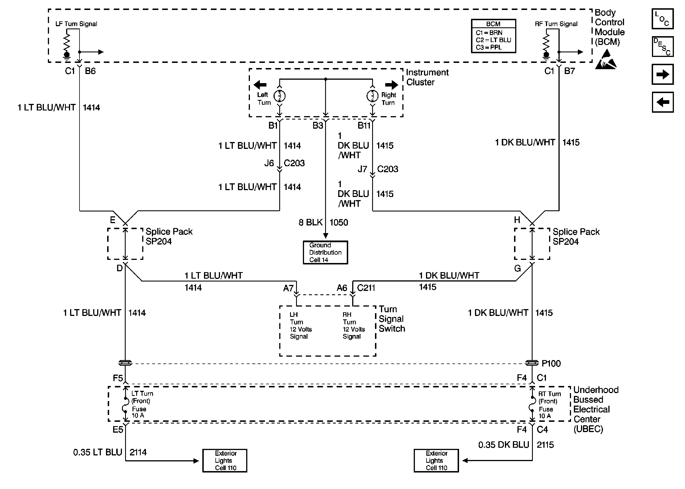
🢒 Cell 51: Instrument Cluster and Turn Signal Switch
Cell 51: Instrument Cluster and Turn Signal Switch
Cell 51: Instrument Cluster and Turn Signal Switch
Body Control Module Components
Body Control System Circuit Description
Cell 51: Headlamp Switch and Headlamp Bulbs
Cell 51: Headlamp Switch
Exterior Lights Schematics
Exterior Lights Schematics
Ground Distribution Schematics
Handling ESD Sensitive Parts Notice