GM Service Manual Online
For 1990-2009 cars only
Makes
🢒
Chevrolet
🢒
2000
🢒
Blazer - 2WD
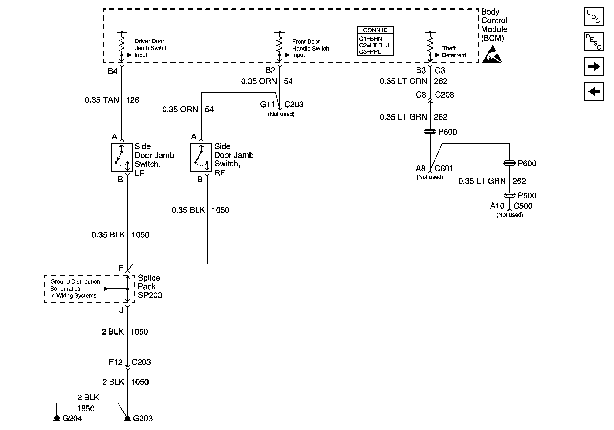
🢒 Side Door Jamb Switches
Side Door Jamb Switches
Side Door Jamb Switches
Body Control Module Components
Body Control System Circuit Description
Headlamp Switch, Inadvertent Power Relay and Courtesy Lamp Relay
Ignition Key Alarm Switch
Body Control System Connector End Views
Handling ESD Sensitive Parts Notice
G203 and G204