GM Service Manual Online
For 1990-2009 cars only
Makes
🢒
Chevrolet
🢒
2000
🢒
Blazer - 2WD
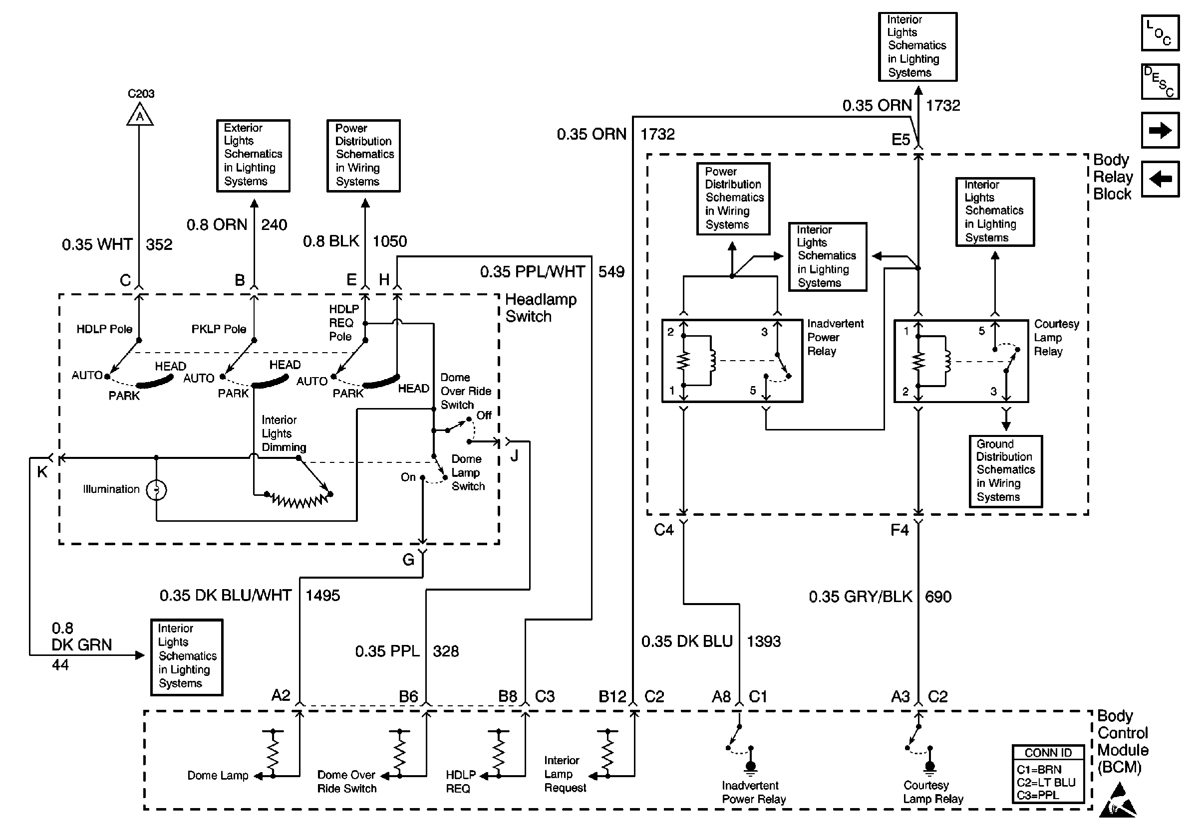
🢒 Headlamp Switch, Inadvertent Power Relay and Courtesy Lamp Relay
Headlamp Switch, Inadvertent Power Relay and Courtesy Lamp Relay
Headlamp Switch, Inadvertent Power Relay and Courtesy Lamp Relay
Body Control Module Components
Body Control System Circuit Description
DRL, HDLP PWR and HDLP GND Relays
Side Door Jamb Switches
DRL, HDLP PWR and HDLP GND Relays
Park, Marker, License and Turn Signal Lamps (Rear)
G203 and G204
ILLUM Fuse 12
Inadvertent Power Relay, IP Compartment and Underhood Lamps
AUX PWR, RDO BATT, HDLP SW Fuses and Inadvertent Power Lamp Relay
Inadvertent Power Relay, IP Compartment and Underhood Lamps
CTSY LP Fuse, Courtesy Lamp Relay and Courtesy Lamps
G200, G201 and G207
Body Control System Connector End Views
Handling ESD Sensitive Parts Notice