GM Service Manual Online
For 1990-2009 cars only
Makes
🢒
Chevrolet
🢒
2000
🢒
Blazer - 2WD
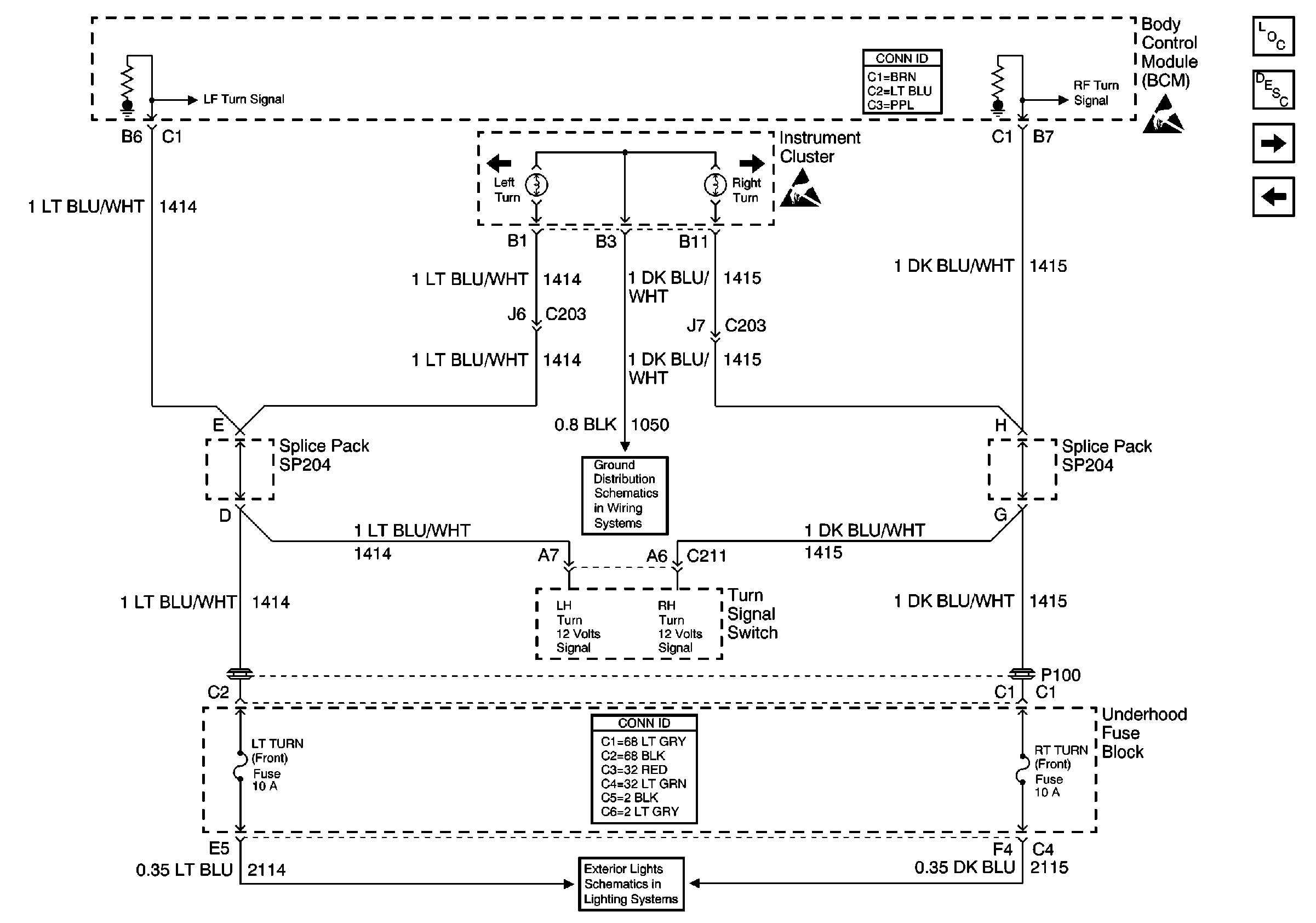
🢒 LT TURN, RT TURN Fuses and Instrument Cluster
LT TURN, RT TURN Fuses and Instrument Cluster
LT TURN, RT TURN Fuses and Instrument Cluster
Body Control Module Components
Body Control System Circuit Description
PARK LP, FOG LP Fuses, and Park Lamp and Fog Lamp Relays
DRL, HDLP PWR and HDLP GND Relays
Body Control System Connector End Views
Handling ESD Sensitive Parts Notice
Handling ESD Sensitive Parts Notice
G203 and G204
Power and Grounding Connector End Views
Turn Signal Lamps (Front) and Turn Signal Fuses (Rear)