GM Service Manual Online
For 1990-2009 cars only
Makes
🢒
Chevrolet
🢒
2000
🢒
Blazer - 2WD
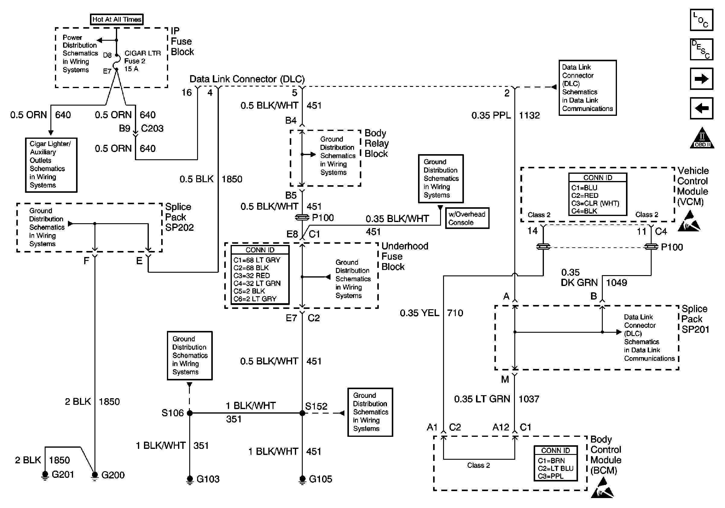
🢒 Data Link Connector (DLC)
Data Link Connector (DLC)
Data Link Connector (DLC)
Engine Controls Components
Serial Data Communications
Engine Sensors (Pickup)
CLSTR and 4WD Fuses
OBD II Symbol Description Notice
INT BATT Fuse
Except Envoy
G200, G201 and G207 (Utility)
G103 and G105 (4.3L)
Power and Grounding Connector End Views
G103 and G105 (4.3L)
G103 and G105 (4.3L)
G103 and G105 (4.3L)
G103 and G105 (4.3L)
Power, Ground, Transfer Case Shift Control Module and Vehicle Interface Unit (VIU)
VCM Connector End Views
Handling ESD Sensitive Parts Notice
Automatic Transmission Switch Inputs
Body Control System Connector End Views
Handling ESD Sensitive Parts Notice