GM Service Manual Online
For 1990-2009 cars only
Makes
🢒
Chevrolet
🢒
2000
🢒
Blazer - 2WD
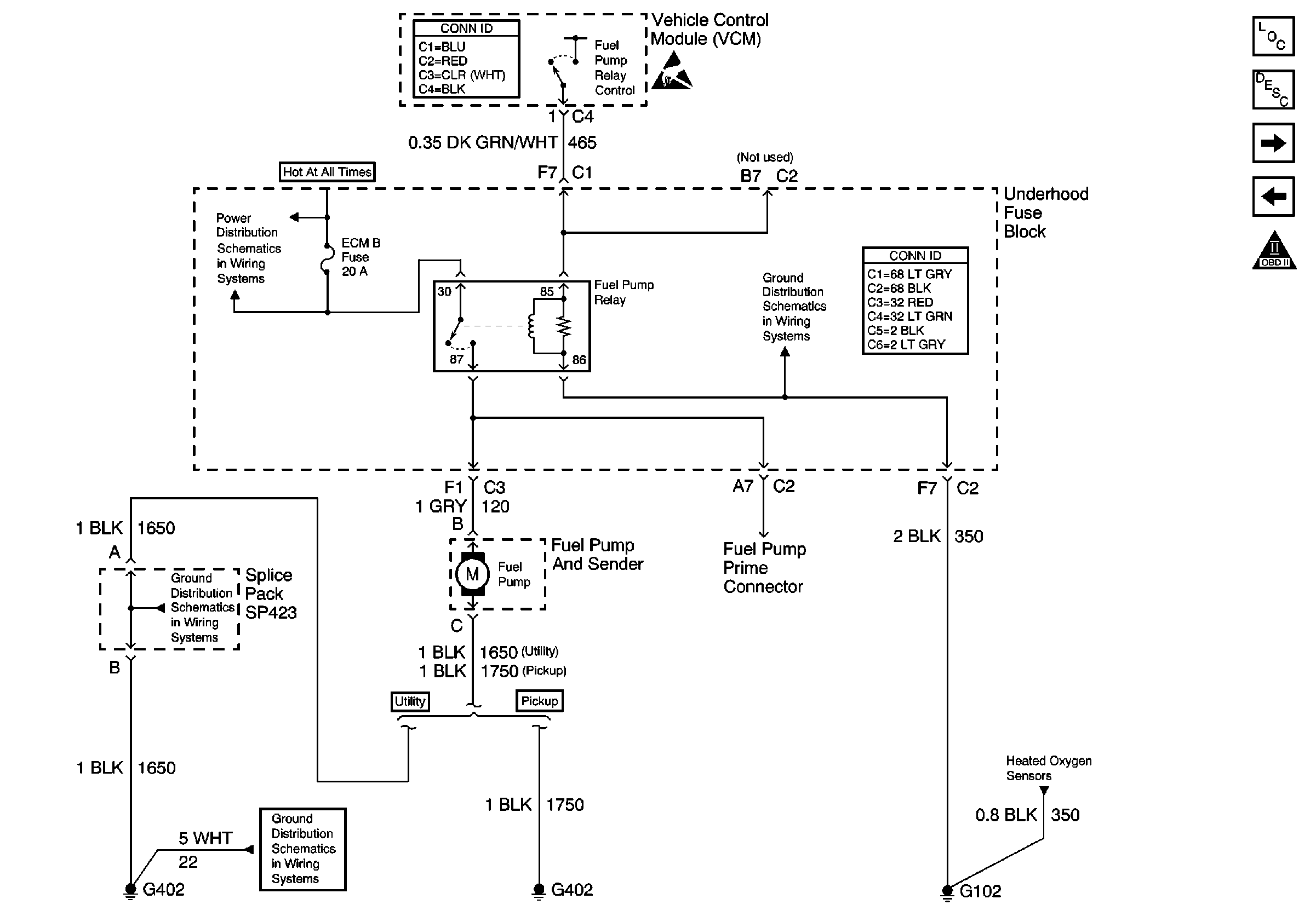
🢒 Fuel Pump Controls
Fuel Pump Controls
Fuel Pump Controls
Engine Controls Components
Fuel Supply Component Description
Fuel Injection Controls
Fuel Level Sensor
OBD II Symbol Description Notice
VCM Connector End Views
Handling ESD Sensitive Parts Notice
ECM B Fuse and Horn, Rear Defogger Relays
G102 (Except Export)
Power and Grounding Connector End Views
G402, G422 and G475 (Fleetside Pickup)
G402 (Utility)
Heated Oxygen Sensors