GM Service Manual Online
For 1990-2009 cars only
Makes
🢒
Chevrolet
🢒
2001
🢒
Blazer - 2WD
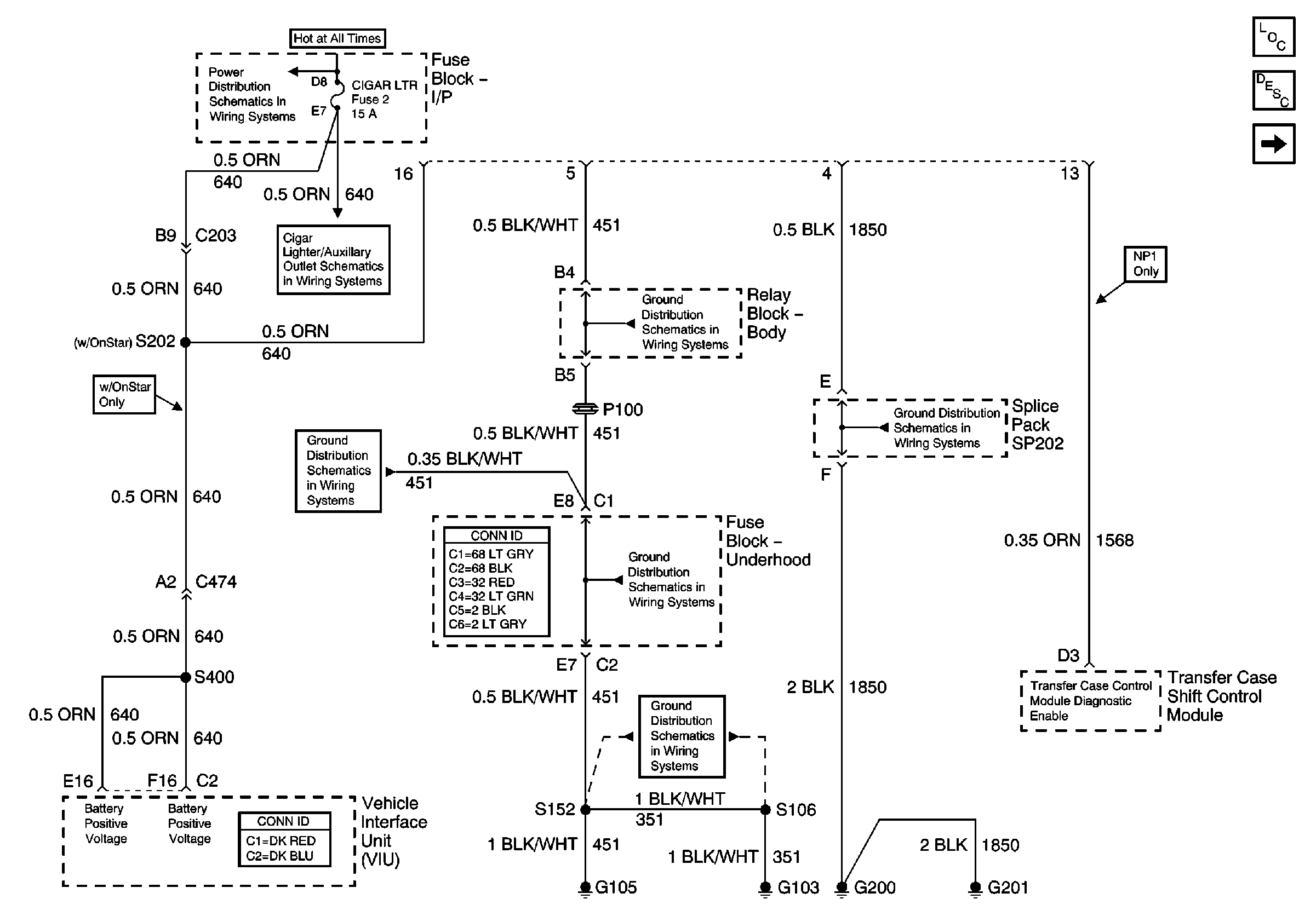
🢒 Power, Ground, Transfer Case Shift Control Module and Vehicle InterfacE Unit (VIU)
Power, Ground, Transfer Case Shift Control Module and Vehicle InterfacE Unit (VIU)
Power, Ground, Transfer Case Shift Control Module and Vehicle Interface Unit (VIU)
Master Electrical Component List
Data Link Communications Description and Operation
SP201 (2.2L)
INT BATT Fuse
Except Envoy
G103 and G105 (2.2 L)
G103 and G105 (4.3 L)
G103 and G105 (2.2 L)
G103 and G105 (2.2 L)
G200, G201 and G207 (Pickup and Crew Cab)