GM Service Manual Online
For 1990-2009 cars only
Makes
🢒
Chevrolet
🢒
2001
🢒
Blazer - 2WD
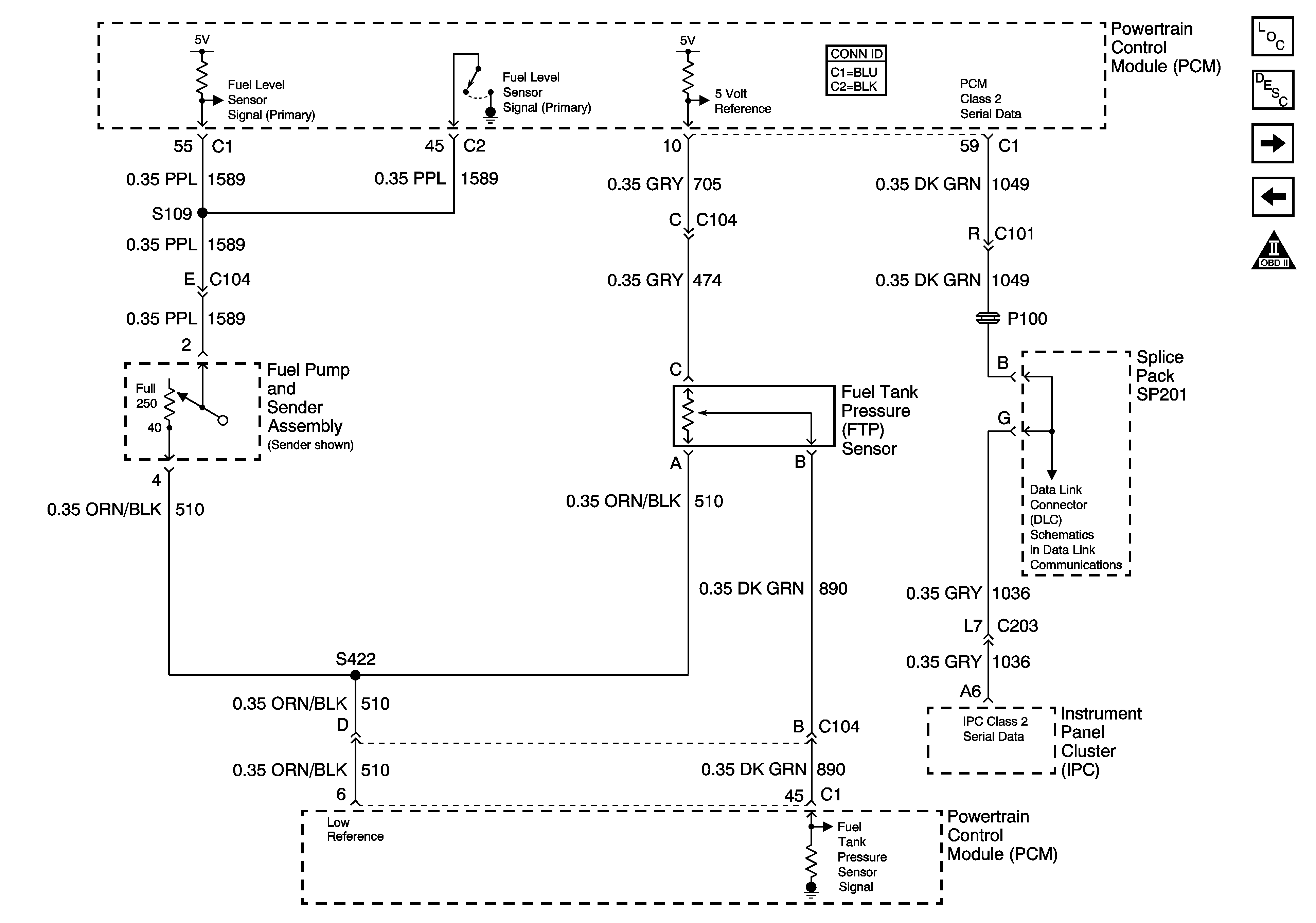
🢒 Fuel Level and Fuel Tank Pressure Sensors
Fuel Level and Fuel Tank Pressure Sensors
Fuel Level and Fuel Tank Pressure Sensors
Master Electrical Component List
Powertrain Control Module Description
IAC, EVAP Valve Controls, and Stop Lamp Switch Input w/ A/T
Fuel Injectors and Fuel Pump
OBD II Symbol Description Notice
SP201 (2.2L)