GM Service Manual Online
For 1990-2009 cars only
Makes
🢒
Chevrolet
🢒
2001
🢒
Blazer - 2WD
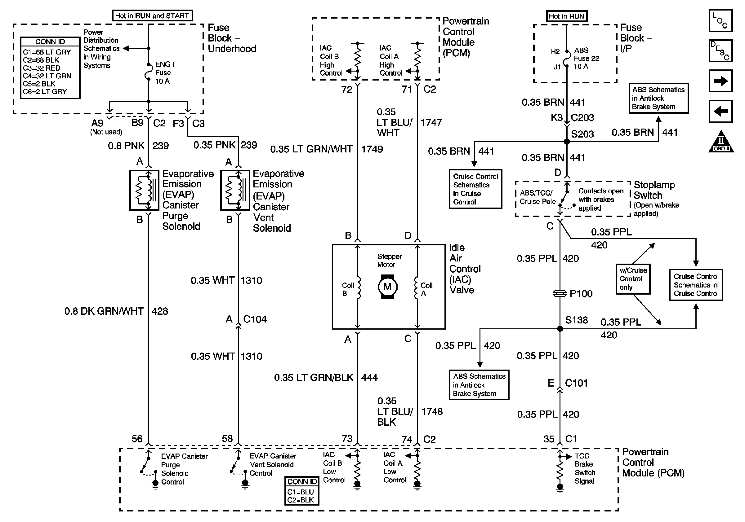
🢒 IAC, EVAP Valve Controls, and Stop Lamp Switch Input w/ A/T
IAC, EVAP Valve Controls, and Stop Lamp Switch Input w/ A/T
IAC, EVAP Valve Controls, and Stop Lamp Switch Input w/ A/T
Master Electrical Component List
Powertrain Control Module Description
Secondary A.I.R. Pump Control
Fuel Level and Fuel Tank Pressure Sensors
OBD II Symbol Description Notice
Ign RUN and START Bus Bar
Clutch Pedal Position Switch, Stoplamp Switch, PCM and Cruise Control Module
Power and Ground
Clutch Pedal Position Switch, Stoplamp Switch, PCM and Cruise Control Module
Power and Ground