GM Service Manual Online
For 1990-2009 cars only
Makes
🢒
Chevrolet
🢒
2001
🢒
Blazer - 2WD
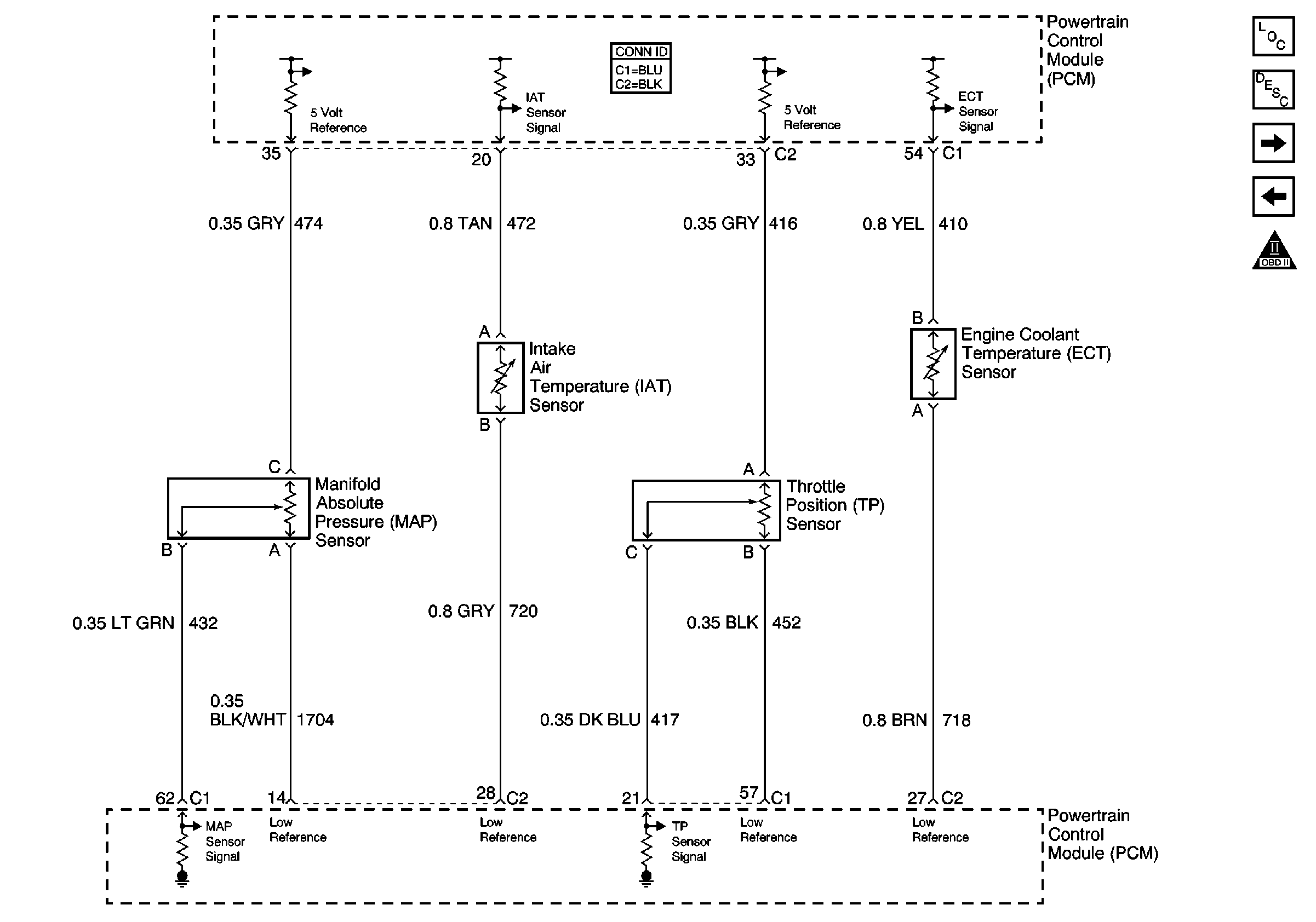
🢒 MAP, IAT, TPS, and ECT Sensors
MAP, IAT, TPS, and ECT Sensors
MAP, IAT, TPS, and ECT Sensors
Master Electrical Component List
Powertrain Control Module Description
Oxygen Sensors
Data Link Connector (DLC)
OBD II Symbol Description Notice