GM Service Manual Online
For 1990-2009 cars only
Makes
🢒
Chevrolet
🢒
2001
🢒
Blazer - 2WD
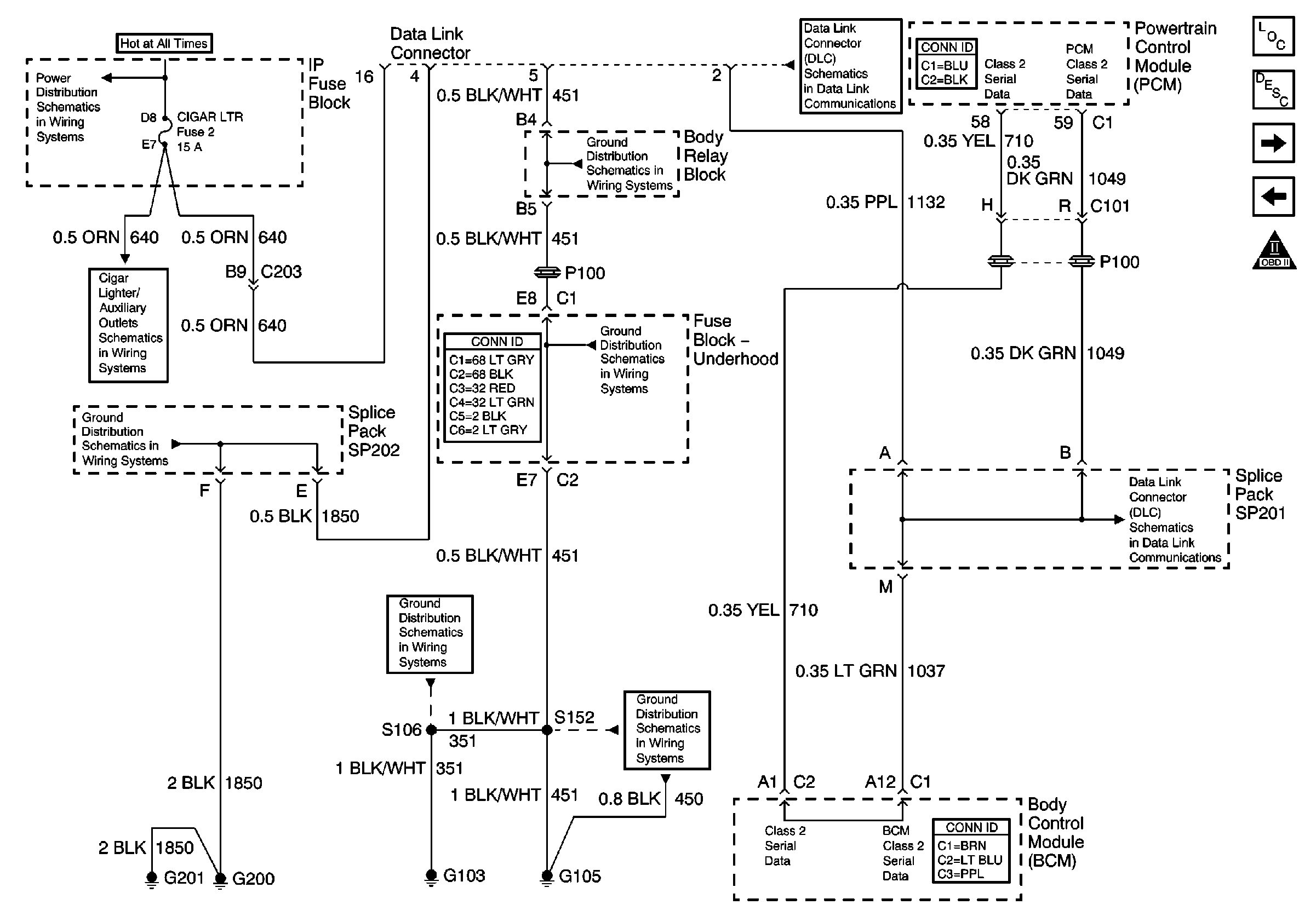
🢒 Data Link Connector (DLC)
Data Link Connector (DLC)
Data Link Connector (DLC)
Master Electrical Component List
Powertrain Control Module Description
MAP, IAT, TPS, and ECT Sensors
ECM B, ECM I, CLSTR Fuses, and PCM Ground
OBD II Symbol Description Notice
INT BATT Fuse
Except Envoy
G200, G201 and G207 (Pickup and Crew Cab)
G103 and G105 (2.2 L)
G103 and G105 (2.2 L)
G103 and G105 (2.2 L)
G103 and G105 (2.2 L)
Power, Ground, Transfer Case Shift Control Module and Vehicle InterfacE Unit (VIU)
SP201 (2.2L)