GM Service Manual Online
For 1990-2009 cars only
Makes
🢒
Chevrolet
🢒
2001
🢒
Blazer - 2WD
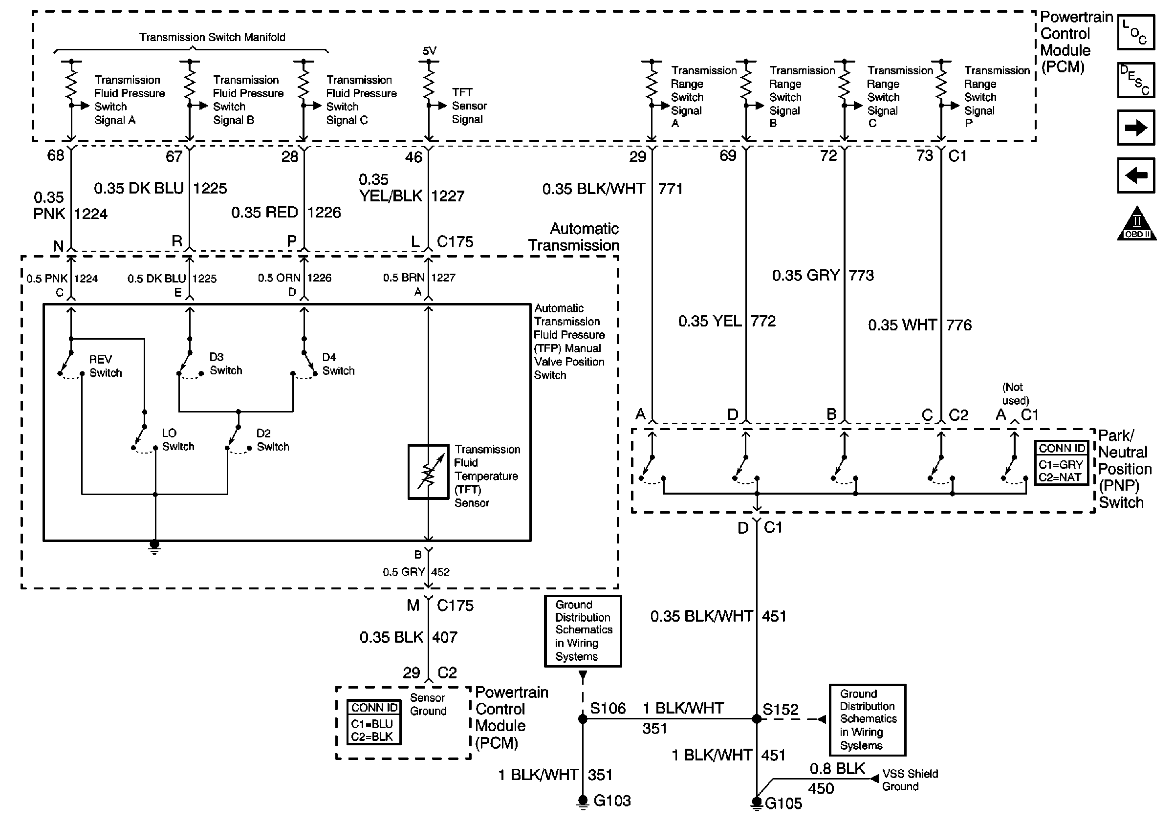
🢒 Automatic Transmission and PNP Switch Inputs
Automatic Transmission and PNP Switch Inputs
Automatic Transmission and PNP Switch Inputs
Master Electrical Component List
Powertrain Control Module Description
Automatic Transmission Valve Controls
MIL, Generator, and Fuel Composition Sensor
OBD II Symbol Description Notice
G103 and G105 (2.2 L)
G103 and G105 (2.2 L)
Vehicle Speed Sensor (VSS) Signal