GM Service Manual Online
For 1990-2009 cars only
Makes
🢒
Chevrolet
🢒
2001
🢒
Blazer - 2WD
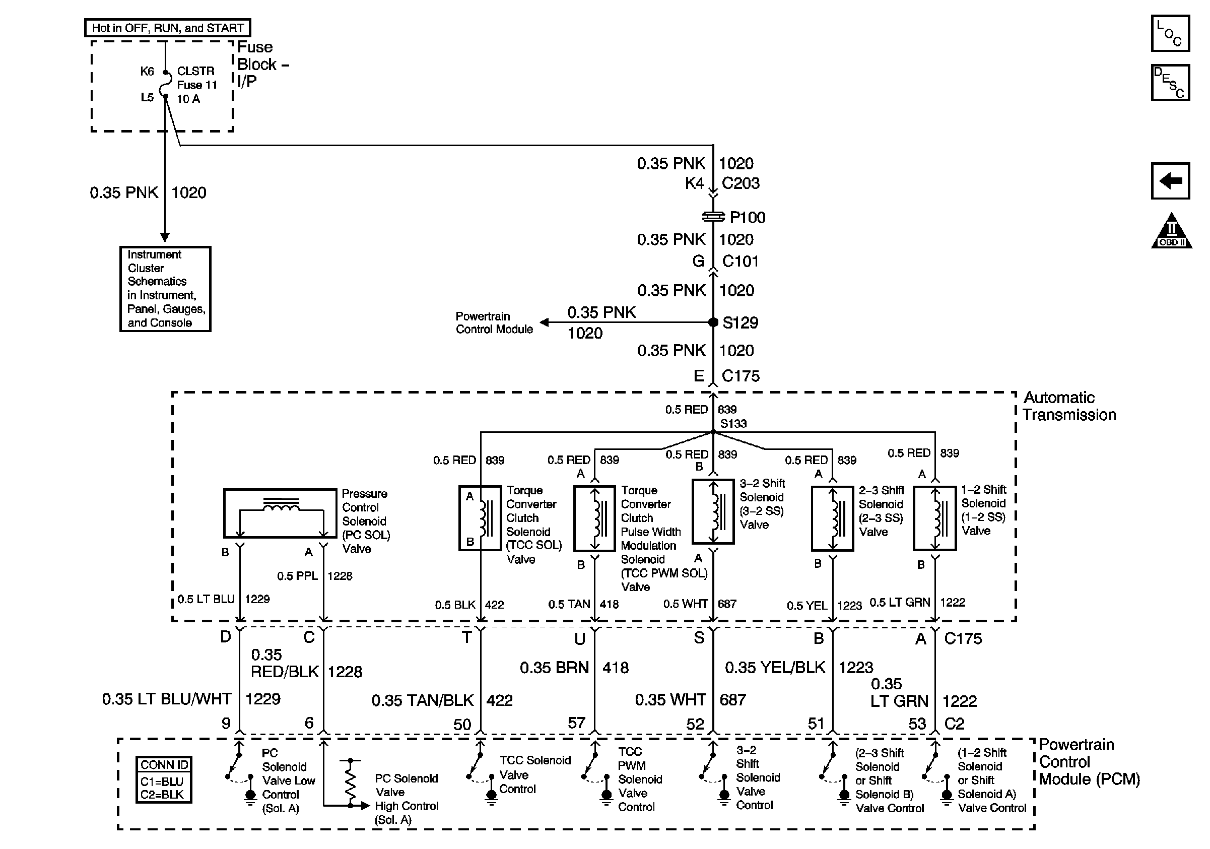
🢒 Automatic Transmission Valve Controls
Automatic Transmission Valve Controls
Automatic Transmission Valve Controls
Master Electrical Component List
Powertrain Control Module Description
Automatic Transmission and PNP Switch Inputs
OBD II Symbol Description Notice
Power and Ground
ECM B, ECM I, CLSTR Fuses, and PCM Ground