GM Service Manual Online
For 1990-2009 cars only
Makes
🢒
Chevrolet
🢒
2001
🢒
Blazer - 2WD
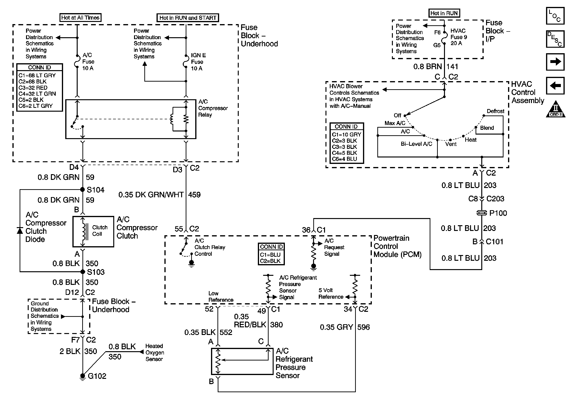
🢒 A/C Compressor Controls
A/C Compressor Controls
A/C Compressor Controls
Master Electrical Component List
Powertrain Control Module Description
MIL, Generator, and Fuel Composition Sensor
Secondary A.I.R. Pump Control
OBD II Symbol Description Notice
B+ Bus Bar
IGN E Fuse and A/C Compressor, Rear Defogger, DRL Relays
Ign ACC, RUN and RAP Bus Bar
Blower Controls (RPO C42)
G102 (Except Export)
Oxygen Sensors