GM Service Manual Online
For 1990-2009 cars only
Makes
🢒
Chevrolet
🢒
2001
🢒
Blazer - 2WD
🢒 Gauges
Gauges
Gauges
Master Electrical Component List
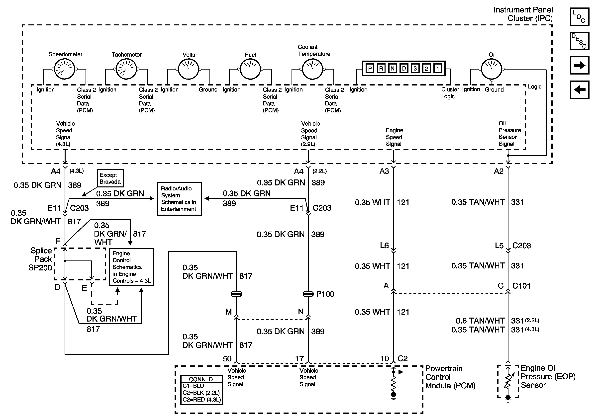
Instrument Cluster Description and Operation
Fuel Level Sensor Signal
Indicators
Ground (Chevy/GMC)
Vehicle Speed Signal, Transfer Case Shift Control Module and 4WD IndicatOr Switch