GM Service Manual Online
For 1990-2009 cars only
Makes
🢒
Chevrolet
🢒
2001
🢒
Blazer - 2WD
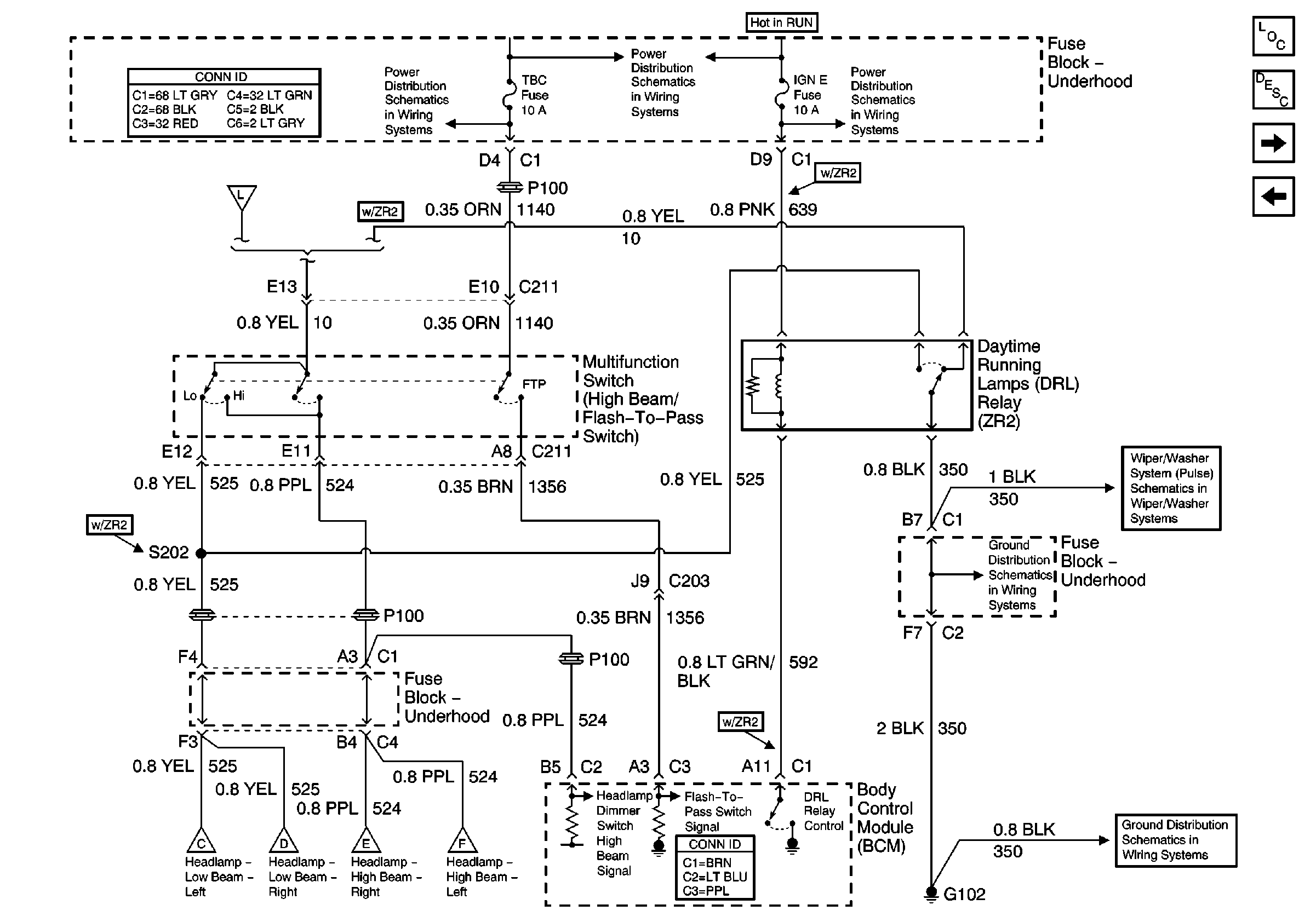
🢒 Flash-To-Pass Switch, DRL Relay (ZR2) and BCM
Flash-To-Pass Switch, DRL Relay (ZR2) and BCM
Flash-To-Pass Switch, DRL Relay (ZR2) and BCM
Master Electrical Component List
Exterior Lighting Systems Description and Operation
Headlamp Switch and BCM (Envoy/Diamond Edition 1SK)
Headlamp Grounding Relay and BCM (Except Envoy)
Headlamp Grounding Relay and BCM (Except Envoy)
STUD 2, ABS, TBC and RR W/W Fuses
B+ Bus Bar
IGN E Fuse and A/C Compressor, Rear Defogger, DRL Relays
Pulse Wipers
G102 (Except Export)
DRL and Headlamp Power Relays
G102 (Except Export)