GM Service Manual Online
For 1990-2009 cars only
Makes
🢒
Chevrolet
🢒
2001
🢒
Blazer - 2WD
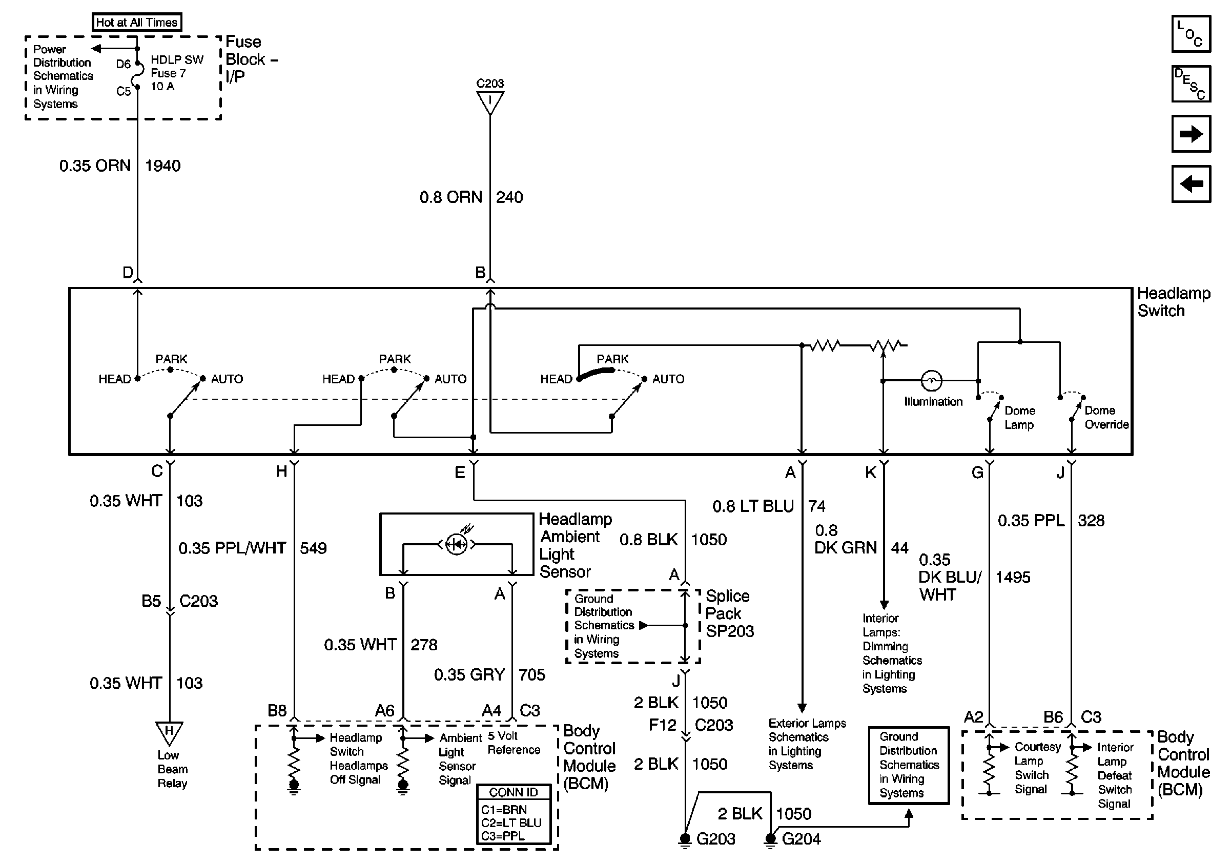
🢒 Headlamp Switch and BCM (Envoy/Diamond Edition 1SK)
Headlamp Switch and BCM (Envoy/Diamond Edition 1SK)
Headlamp Switch and BCM (Envoy/Diamond Edition 1SK)
Master Electrical Component List
Exterior Lighting Systems Description and Operation
DRL, Low Beam Relays and BCM (Envoy/Diamond Edition 1SK)
Flash-To-Pass Switch, DRL Relay (ZR2) and BCM
AUX PWR, RDO BATT and HDLP SW Fuses
Park Lamp, High Beam Relays and BCM (Envoy/Diamond Edition 1SK)
DRL, Low Beam Relays and BCM (Envoy/Diamond Edition 1SK)
G203 and G204 (Envoy)
Park and License Lamps, Rear (Utility)
Headlamp Switch
G203 and G204 (Envoy)