GM Service Manual Online
For 1990-2009 cars only
Makes
🢒
Chevrolet
🢒
2001
🢒
Blazer - 2WD
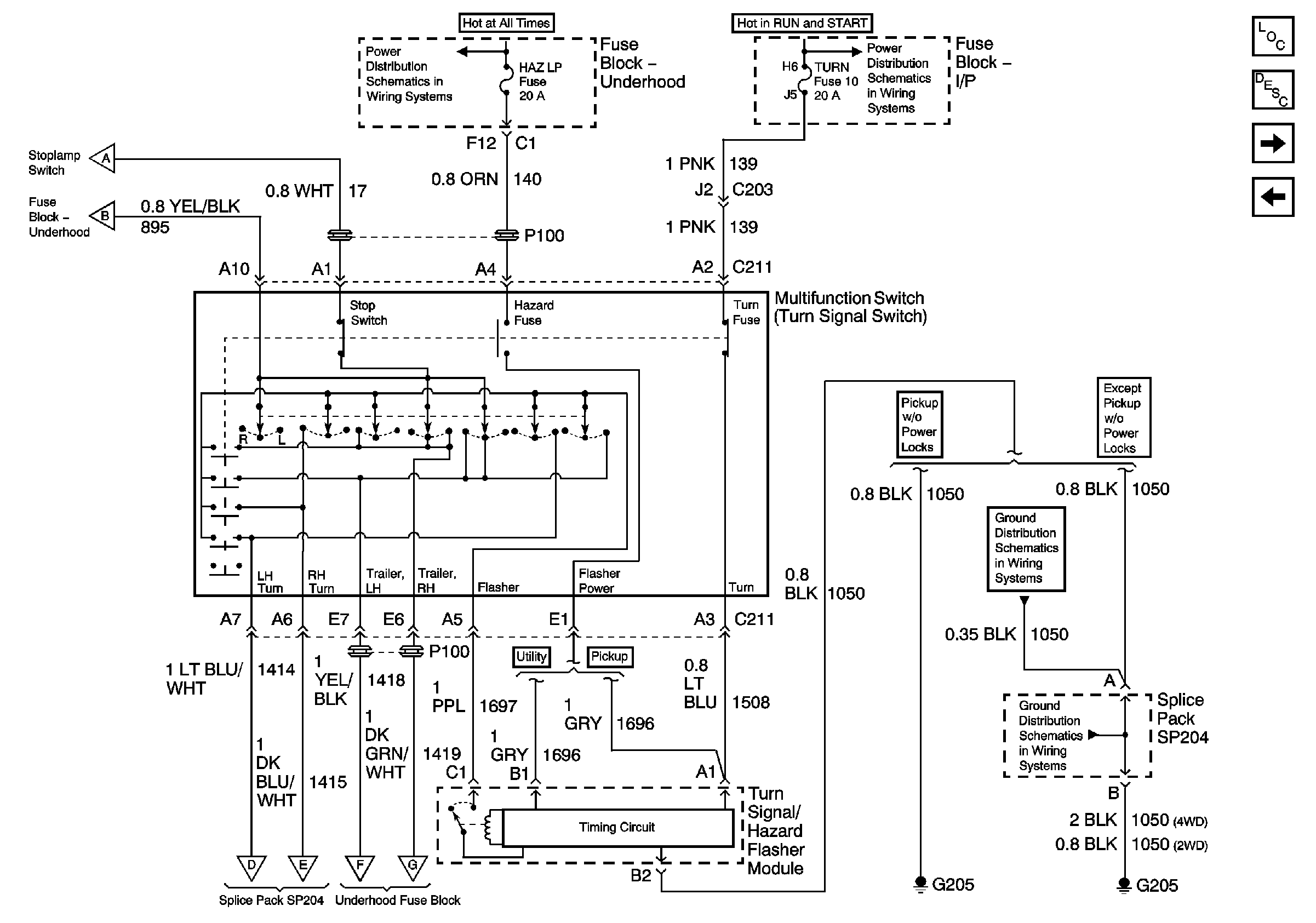
🢒 Multifunction Switch (Turn Signal Switch) And Turn Signal/Hazard Flasher Module
Multifunction Switch (Turn Signal Switch) And Turn Signal/Hazard Flasher Module
Multifunction Switch (Turn Signal Switch) and Turn Signal/Hazard Flasher Module
Master Electrical Component List
Exterior Lighting Systems Description and Operation
Instrument Cluster Turn Signal Indicators
Center High Mounted Stop Lamp
B+ Bus Bar
Ign RUN and START Bus Bar
Center High Mounted Stop Lamp
Instrument Cluster Turn Signal Indicators
Turn Fuses
G205 (Utility and Crew Cab)
G205 (Utility and Crew Cab)