GM Service Manual Online
For 1990-2009 cars only
Makes
🢒
Chevrolet
🢒
2001
🢒
Blazer - 2WD
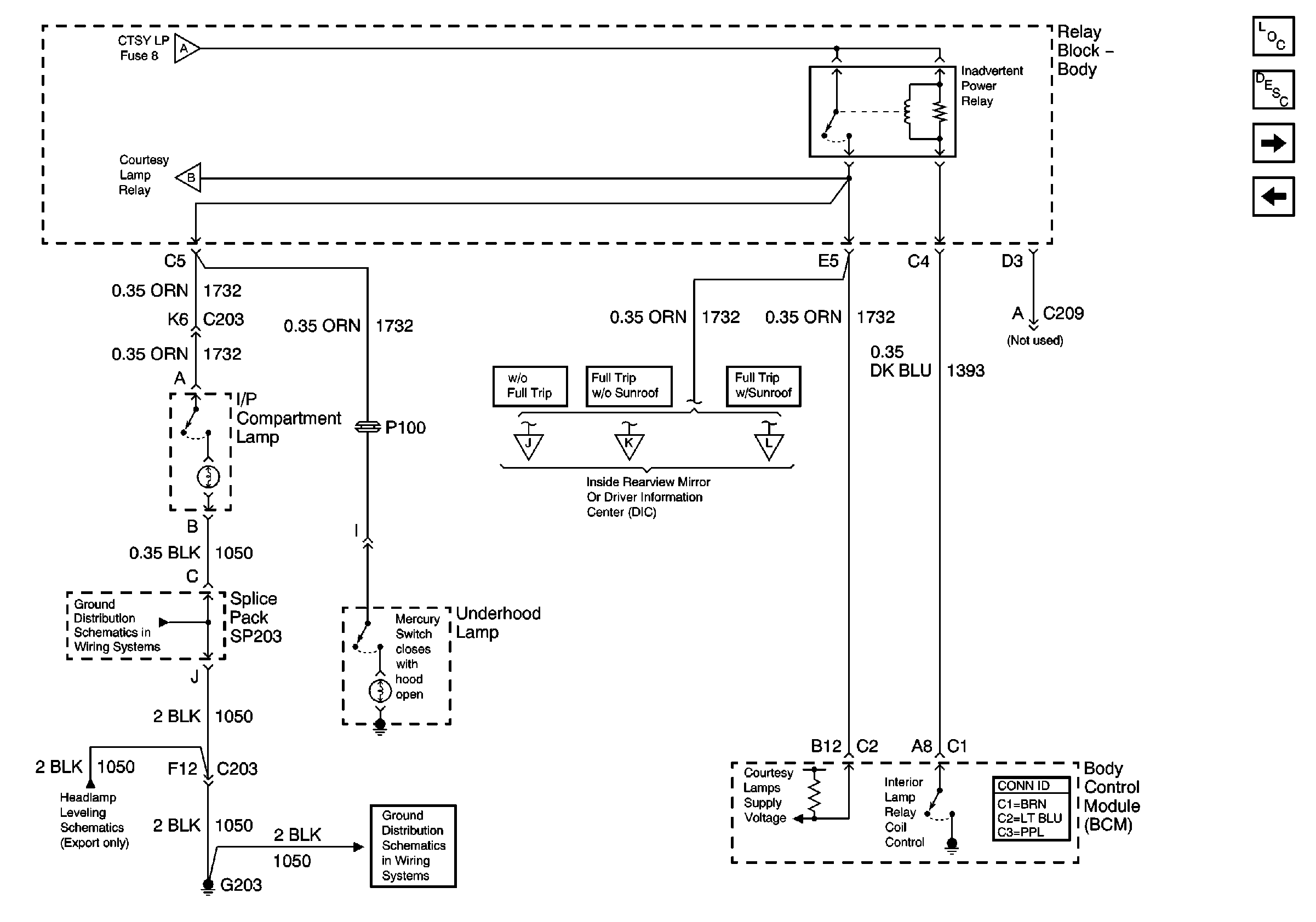
🢒 Inadvertent Power Relay
Inadvertent Power Relay
Inadvertent Power Relay
Master Electrical Component List
Interior Lighting Systems Description and Operation
Inside Rear View Mirror or Driver Information Center
Rear Door Jamb and Liftglass Ajar Jamb Switches
CTSY LP Fuse and Courtesy Lamp Relay
CTSY LP Fuse and Courtesy Lamp Relay
G203 and G204 (Pickup)
Headlight Leveling Schematics (Export)
Inside Rear View Mirror or Driver Information Center
Driver Information Center (Utility w/o Sunroof)
Driver Information Display Module (Utility w/ Sunroof)
G203 and G204 (Pickup)