GM Service Manual Online
For 1990-2009 cars only
Makes
🢒
Chevrolet
🢒
2001
🢒
Blazer - 2WD
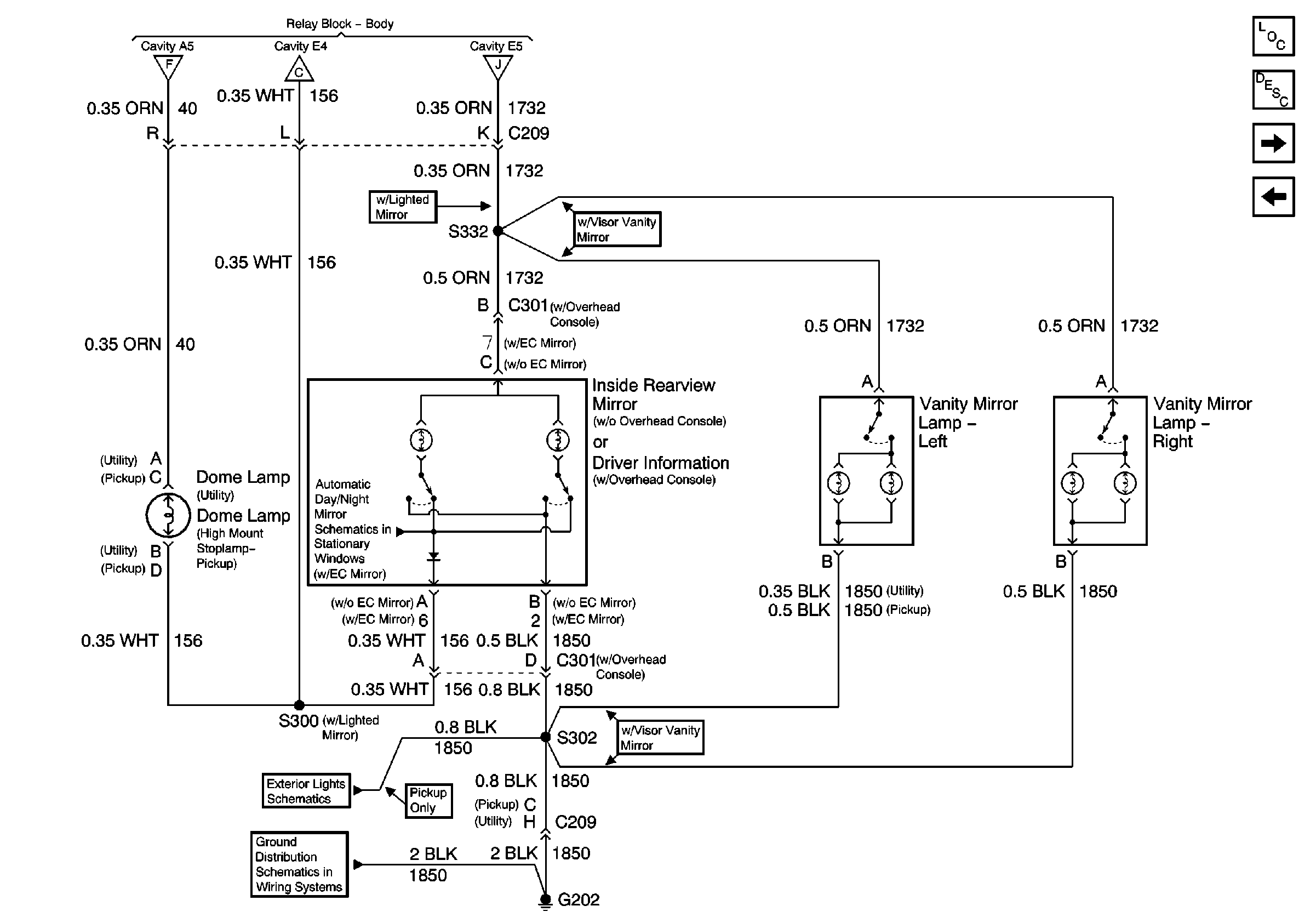
🢒 Inside Rear View Mirror or Driver Information Center
Inside Rear View Mirror or Driver Information Center
Inside Rear View Mirror or Driver Information Center
Master Electrical Component List
Interior Lighting Systems Description and Operation
Driver Information Center (Utility w/o Sunroof)
Inadvertent Power Relay
CTSY LP Fuse and Courtesy Lamp Relay
CTSY LP Fuse and Courtesy Lamp Relay
Inadvertent Power Relay
Automatic Day-Night Mirror Schematics
Multifunction Switch (Turn Signal Switch) And Turn Signal/Hazard Flasher Module
G202 (Pickup Except Crew Cab)