GM Service Manual Online
For 1990-2009 cars only
Makes
🢒
Chevrolet
🢒
2001
🢒
Blazer - 2WD
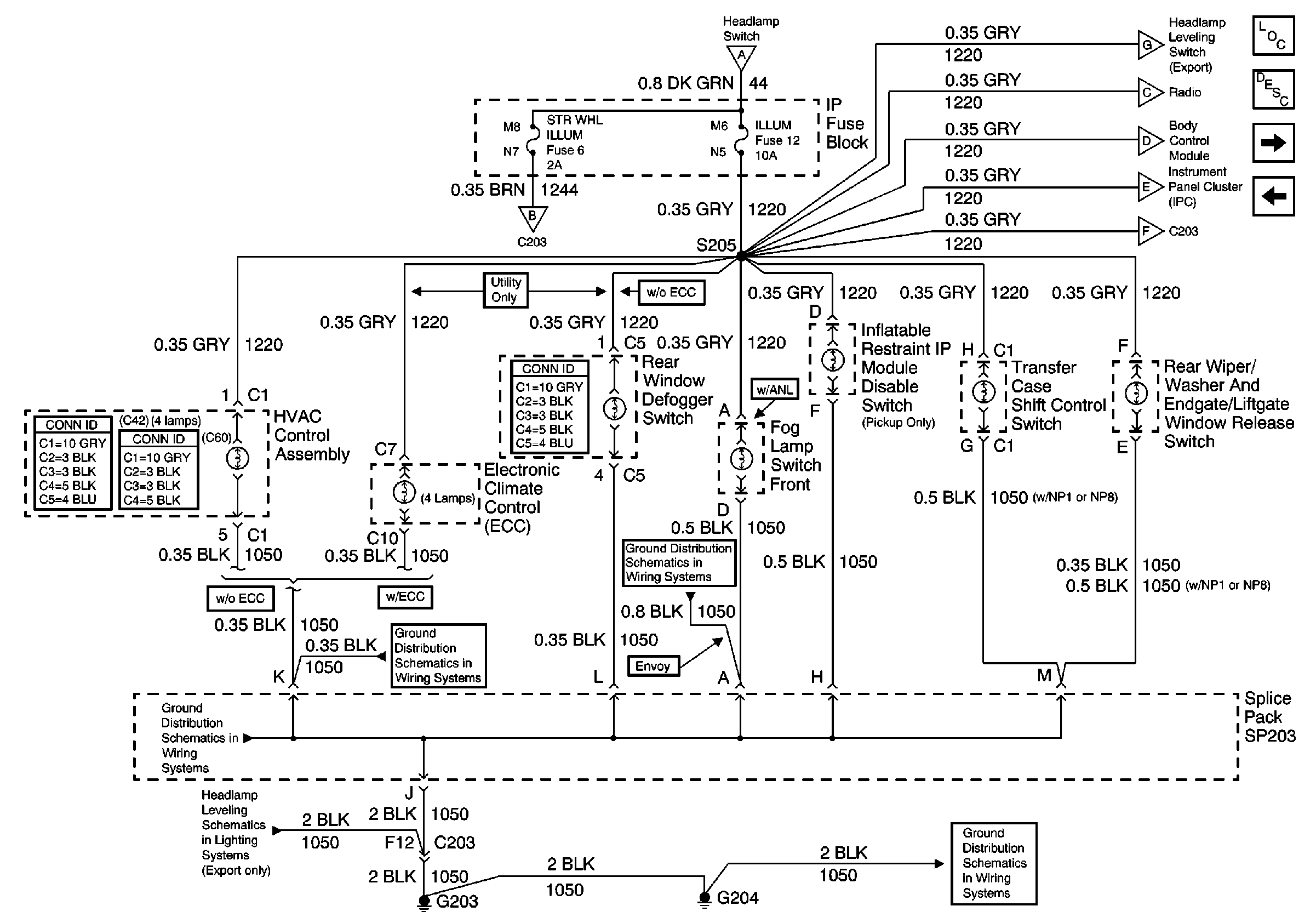
🢒 ILLUM Fuse 12
ILLUM Fuse 12
ILLUM Fuse 12
Master Electrical Component List
Interior Lighting Systems Description and Operation
Steering Wheel Controls
Headlamp Switch
Steering Wheel Controls
Headlamp Switch
Instrument Panel Cluster, BCM, and Automatic Transmission Indicators
Steering Wheel Controls
Instrument Panel Cluster, BCM, and Automatic Transmission Indicators
G203 and G204 (Pickup)
G203 and G204 (Pickup)
G203 and G204 (Pickup)
Headlight Leveling Schematics (Export)
G203 and G204 (Pickup)