GM Service Manual Online
For 1990-2009 cars only
Makes
🢒
Chevrolet
🢒
2001
🢒
Blazer - 2WD
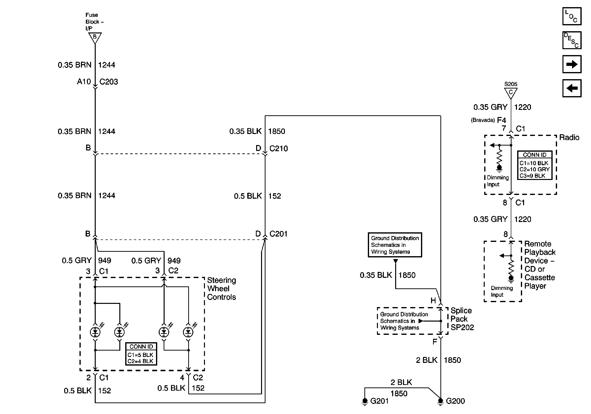
🢒 Steering Wheel Controls
Steering Wheel Controls
Steering Wheel Controls
Master Electrical Component List
Interior Lighting Systems Description and Operation
Instrument Panel Cluster, BCM, and Automatic Transmission Indicators
ILLUM Fuse 12
ILLUM Fuse 12
ILLUM Fuse 12
G200, G201 and G207 (Utility)
G200, G201 and G207 (Utility)