GM Service Manual Online
For 1990-2009 cars only
Makes
🢒
Chevrolet
🢒
2001
🢒
Blazer - 2WD
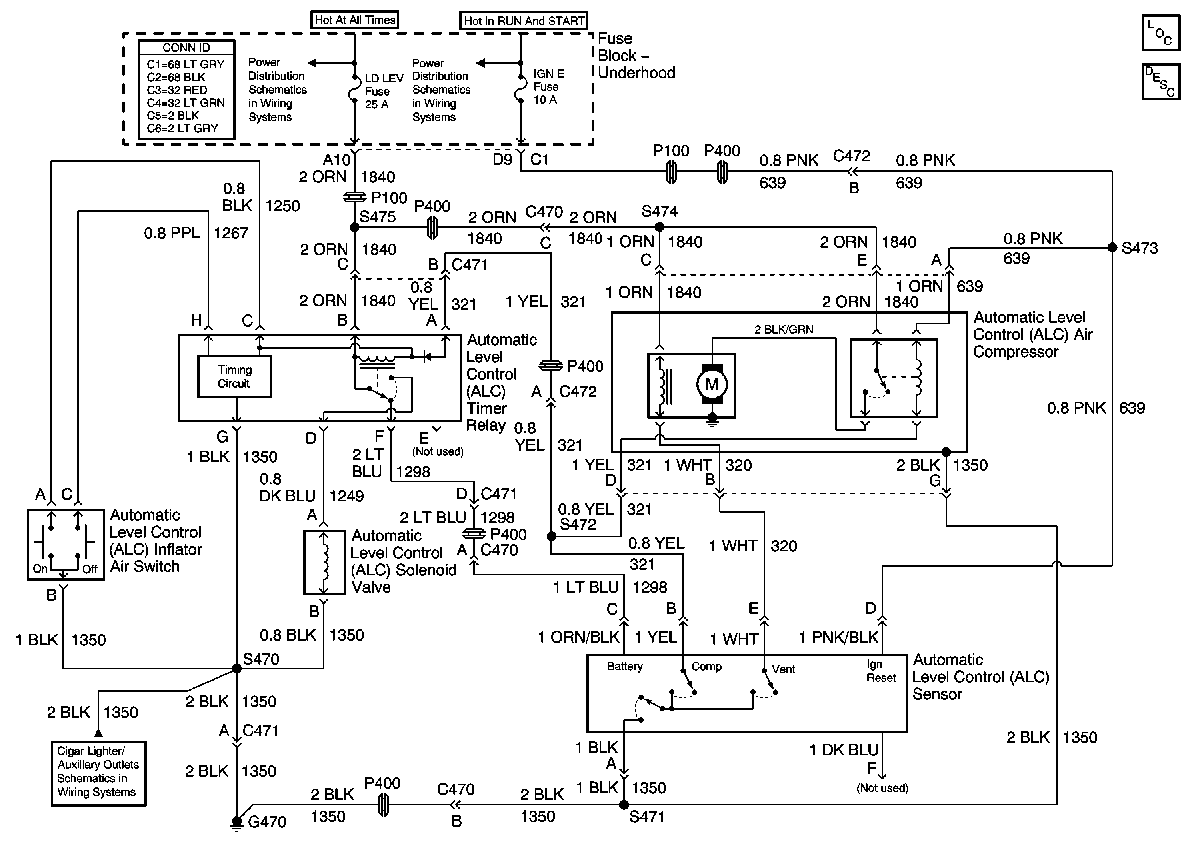
🢒 Automatic Level Control Schematics
Automatic Level Control Schematics
Master Electrical Component List
Automatic Level Control Description and Operation
B+ Bus Bar
Ign RUN and START Bus Bar
Envoy Only