GM Service Manual Online
For 1990-2009 cars only
Makes
🢒
Chevrolet
🢒
2001
🢒
Blazer - 2WD
🢒 Envoy Only
Envoy Only
Envoy Only
Master Electrical Component List
Except Envoy
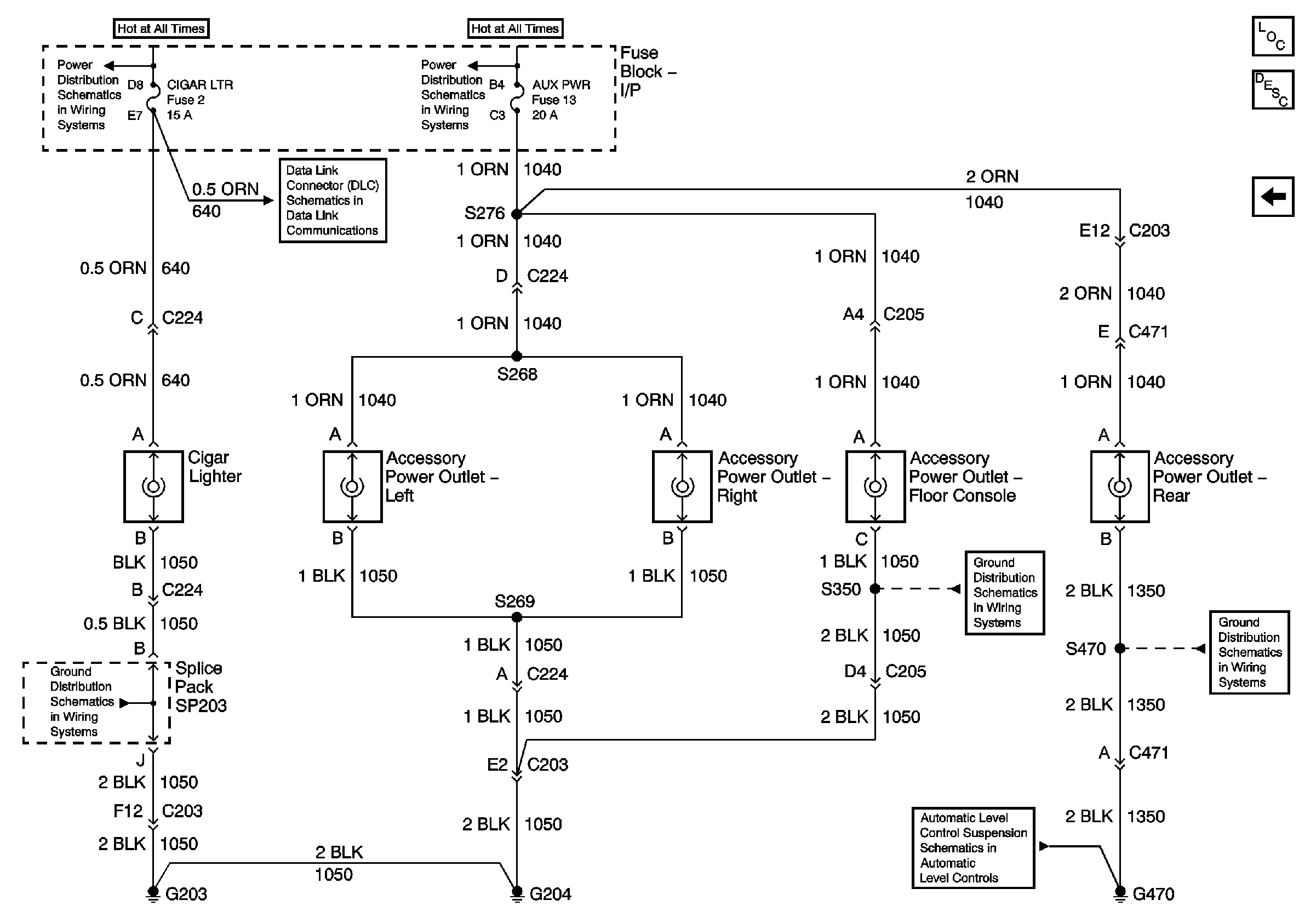
INT BATT Fuse
AUX PWR, RDO BATT and HDLP SW Fuses
Power, Ground, Transfer Case Shift Control Module and Vehicle InterfacE Unit (VIU)
G203 and G204 (Envoy)
G204 and G205 (Envoy)
Automatic Level Control Schematics
G470 (Envoy)