GM Service Manual Online
For 1990-2009 cars only
Makes
🢒
Chevrolet
🢒
2001
🢒
Blazer - 2WD
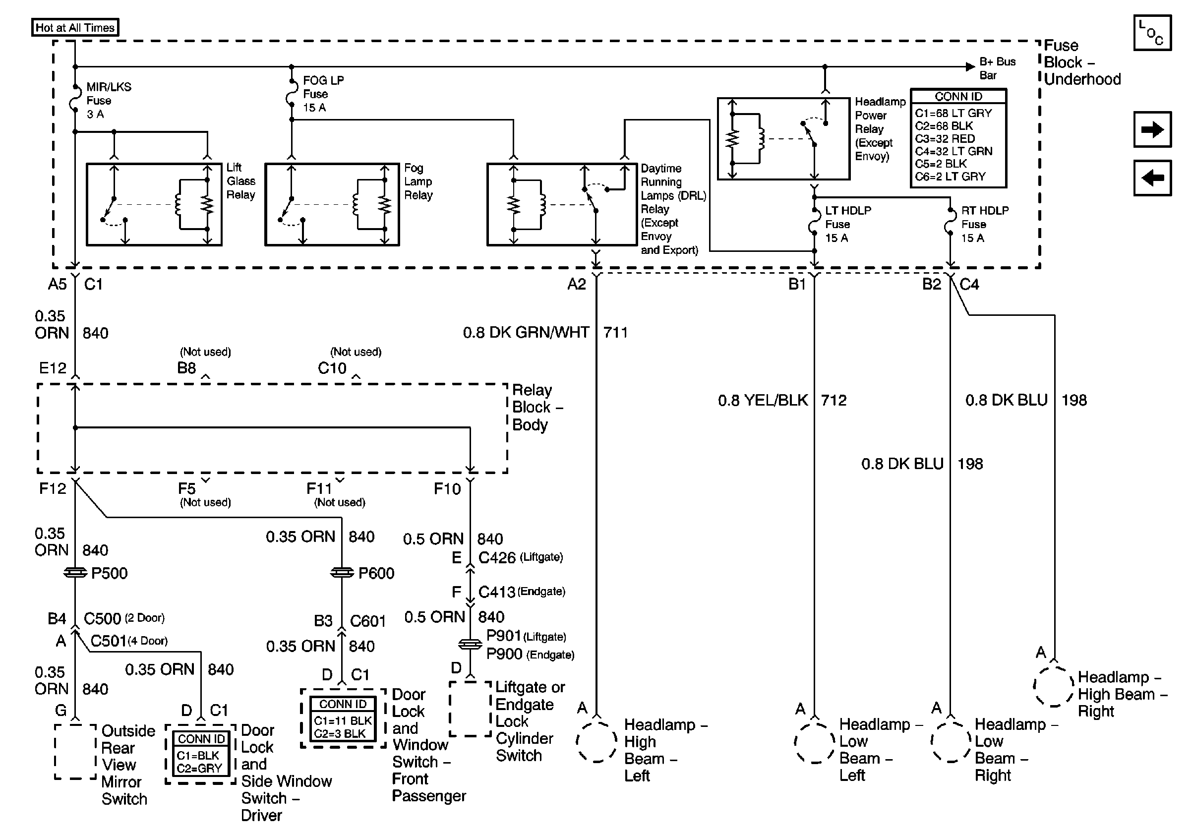
🢒 MIR/LKS, FOG LP Fuses and DRL, Headlamp Power Relays
MIR/LKS, FOG LP Fuses and DRL, Headlamp Power Relays
MIR/LKS, FOG LP Fuses and DRL, Headlamp Power Relays
Master Electrical Component List
HI BEAM, LD LEV, DRL Fuses and Low Beam Relay (Envoy Only)
HTD SEAT, ATC, HVAC and A/C Fuses
B+ Bus Bar