GM Service Manual Online
For 1990-2009 cars only
Makes
🢒
Chevrolet
🢒
2001
🢒
Blazer - 2WD
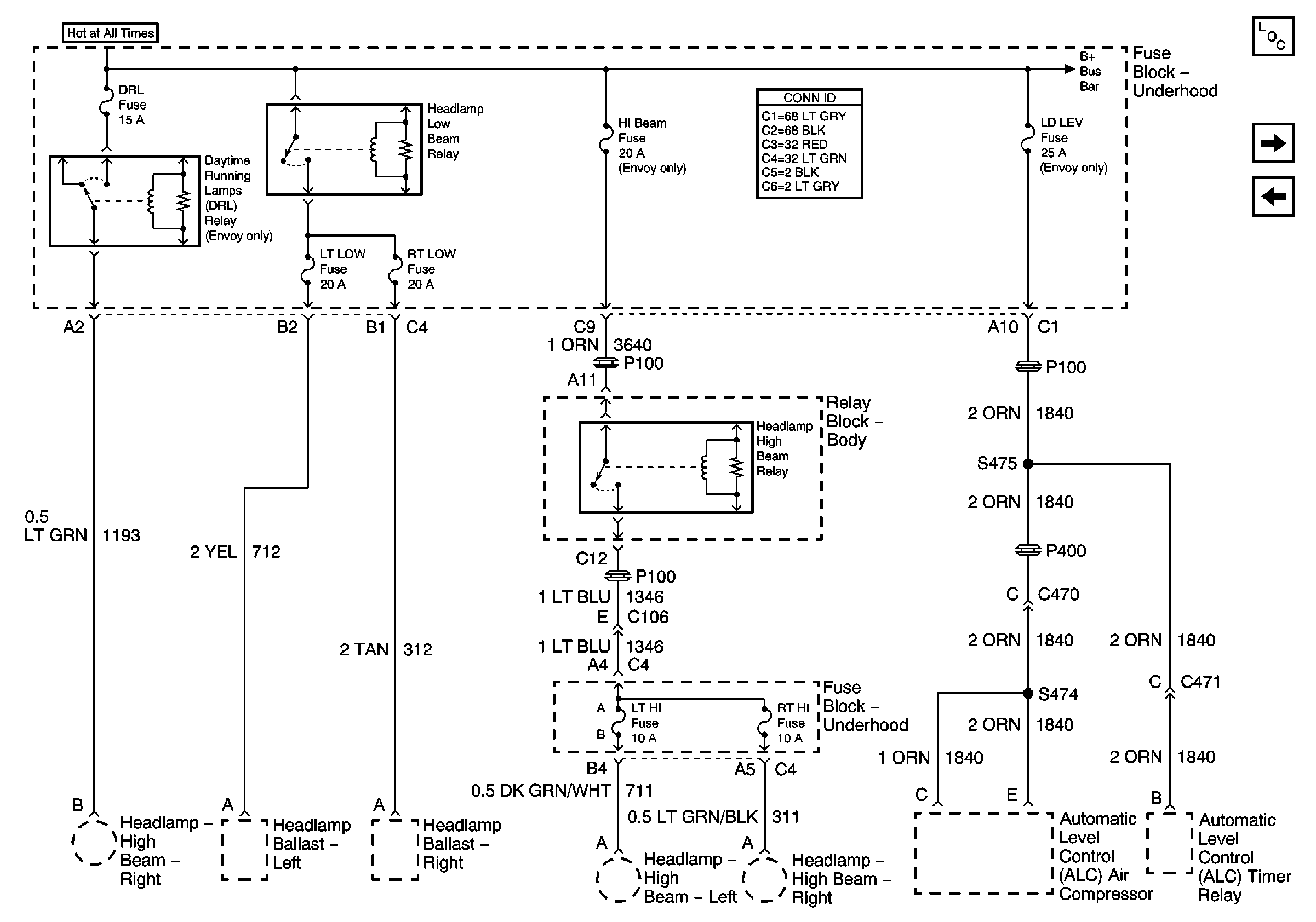
🢒 HI BEAM, LD LEV, DRL Fuses and Low Beam Relay (Envoy Only)
HI BEAM, LD LEV, DRL Fuses and Low Beam Relay (Envoy Only)
HI BEAM, LD LEV, DRL Fuses and Low Beam Relay (Envoy Only)
Master Electrical Component List
ECM B Fuse and Horn, Rear Defogger Relays
MIR/LKS, FOG LP Fuses and DRL, Headlamp Power Relays
B+ Bus Bar