GM Service Manual Online
For 1990-2009 cars only
Makes
🢒
Chevrolet
🢒
2001
🢒
Blazer - 2WD
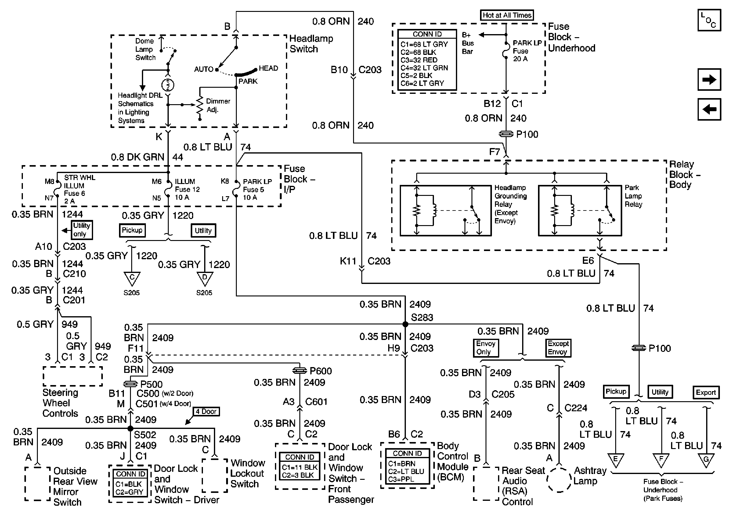
🢒 ILLUM and PARK LP Fuses
ILLUM and PARK LP Fuses
ILLUM and PARK LP Fuses
Master Electrical Component List
ILLUM Power (Pickup Except Crewcab)
ECM B Fuse and Horn, Rear Defogger Relays
B+ Bus Bar
Headlights/Daytime Running Lights (DRL) Schematics
ILLUM Power (Pickup Except Crewcab)
ILLUM Power (Utility)
FR PRK, LR PRK, RR PRK Fuses and Fog Lamp Relay (Pickup)
FR PRK, LR PRK, RR PRK, TRL PRK Fuses and Fog Lamp Relay (Utility)
FR PRK, LR PRK, RR PRK, TRL PRK Fuses and Fog Lamp Relay (Export)