GM Service Manual Online
For 1990-2009 cars only
Makes
🢒
Chevrolet
🢒
2001
🢒
Blazer - 2WD
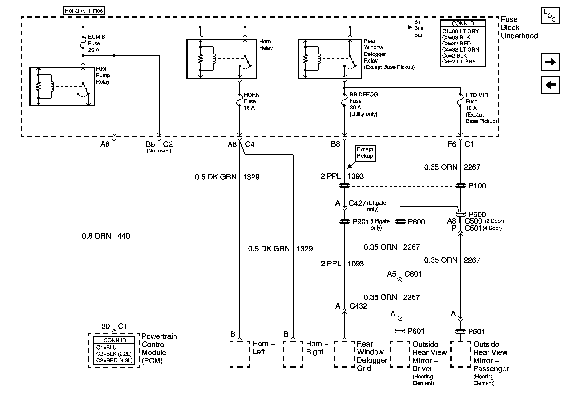
🢒 ECM B Fuse and Horn, Rear Defogger Relays
ECM B Fuse and Horn, Rear Defogger Relays
ECM B Fuse and Horn, Rear Defogger Relays
Master Electrical Component List
ILLUM and PARK LP Fuses
HI BEAM, LD LEV, DRL Fuses and Low Beam Relay (Envoy Only)
B+ Bus Bar
Handling ESD Sensitive Parts Notice