GM Service Manual Online
For 1990-2009 cars only
Makes
🢒
Chevrolet
🢒
2001
🢒
Blazer - 2WD
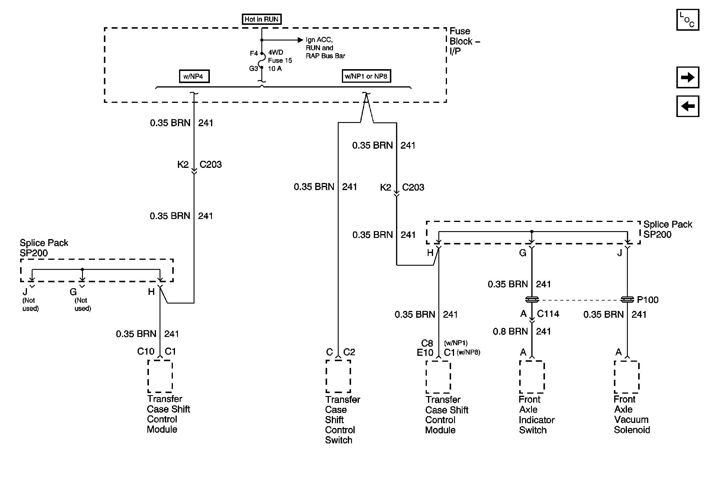
🢒 4WD Fuse (4.3 L)
4WD Fuse (4.3 L)
4WD Fuse (4.3 L)
Master Electrical Component List
HVAC and CRUISE Fuses
HVAC I Fuse
Ign ACC, RUN and RAP Bus Bar