GM Service Manual Online
For 1990-2009 cars only
Makes
🢒
Chevrolet
🢒
2001
🢒
Blazer - 2WD
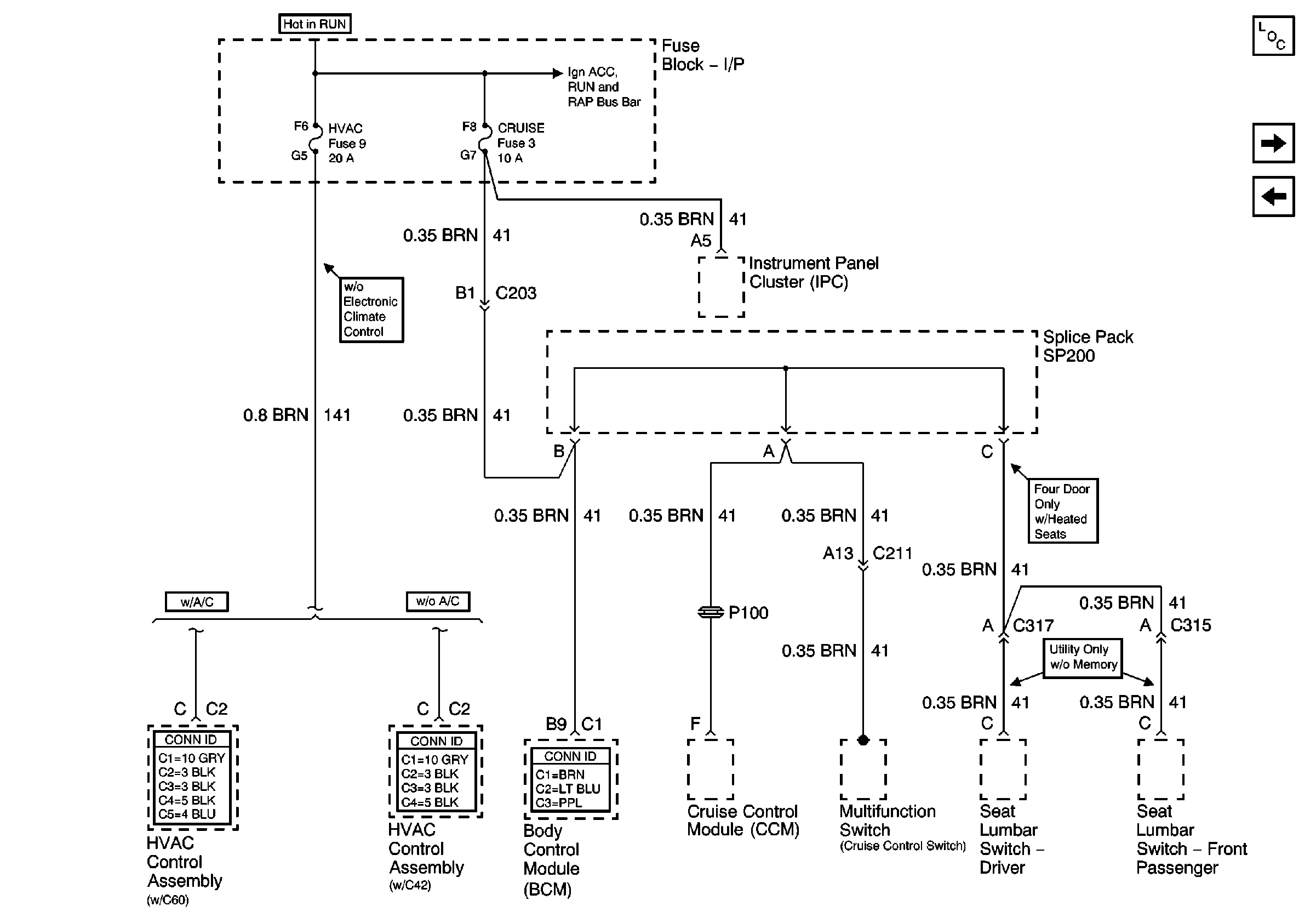
🢒 HVAC and CRUISE Fuses
HVAC and CRUISE Fuses
HVAC and CRUISE Fuses
Master Electrical Component List
VECHMSL, TRCHMSL Fuses and CHMSL Relay
4WD Fuse (4.3 L)
Ign ACC, RUN and RAP Bus Bar