GM Service Manual Online
For 1990-2009 cars only
Makes
🢒
Chevrolet
🢒
2001
🢒
Blazer - 2WD
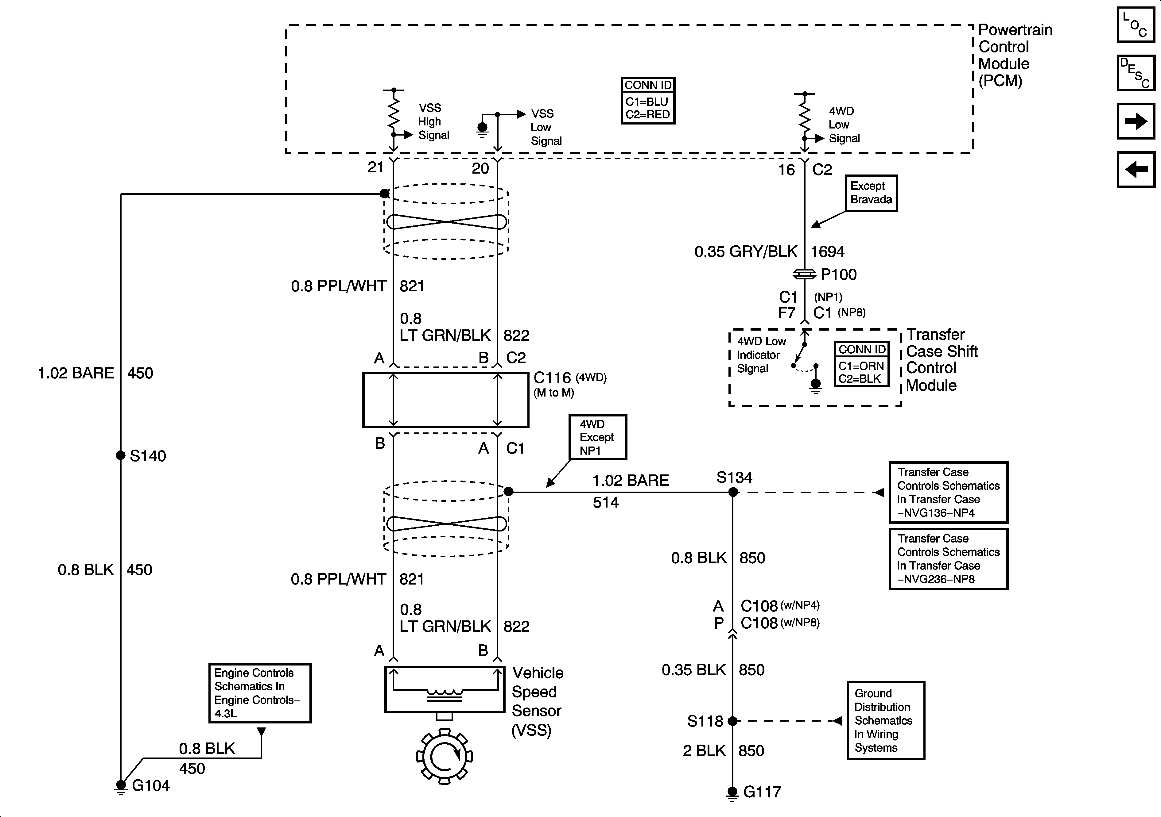
🢒 VSS Inputs, 4WD Low Indicator Signal (4.3L)
VSS Inputs, 4WD Low Indicator Signal (4.3L)
VSS Inputs, 4WD Low Indicator Signal (4.3L)
Master Electrical Component List
Transmission Component and System Description
Brake Switch Inputs (4.3L)
Switch Inputs and PNP Switch (4.3L)
Heated Oxygen Sensors
Speed Sensors
Speed Sensors
G104 and G117