GM Service Manual Online
For 1990-2009 cars only
Makes
🢒
Chevrolet
🢒
2001
🢒
Blazer - 2WD
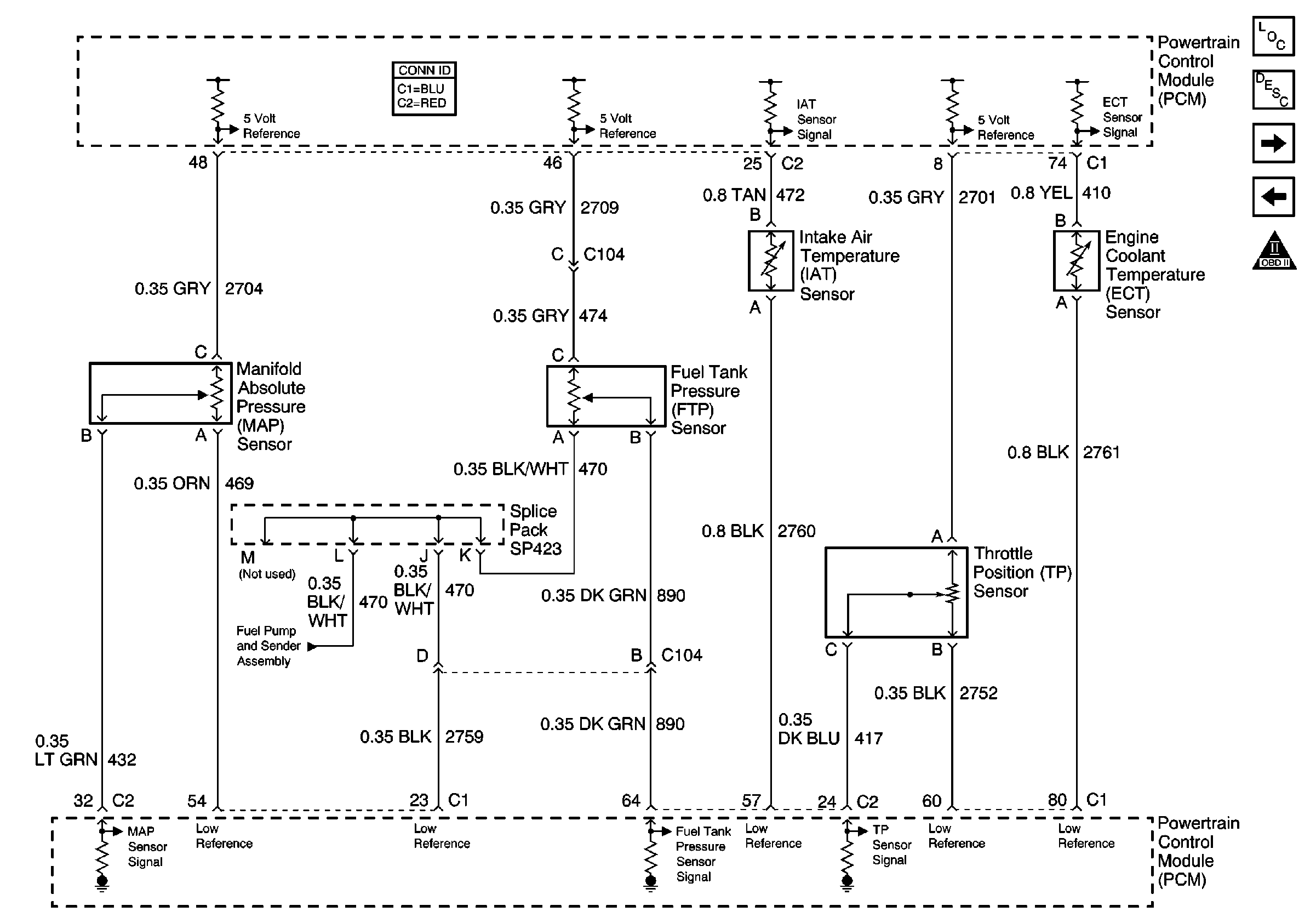
🢒 Engine Sensors (Utility)
Engine Sensors (Utility)
Engine Sensors (Utility)
Master Electrical Component List
Powertrain Control Module Description
Heated Oxygen Sensors
Engine Sensors (Pickup)
OBD II Symbol Description Notice
Fuel Level Sensor