GM Service Manual Online
For 1990-2009 cars only
Makes
🢒
Chevrolet
🢒
2001
🢒
Blazer - 2WD
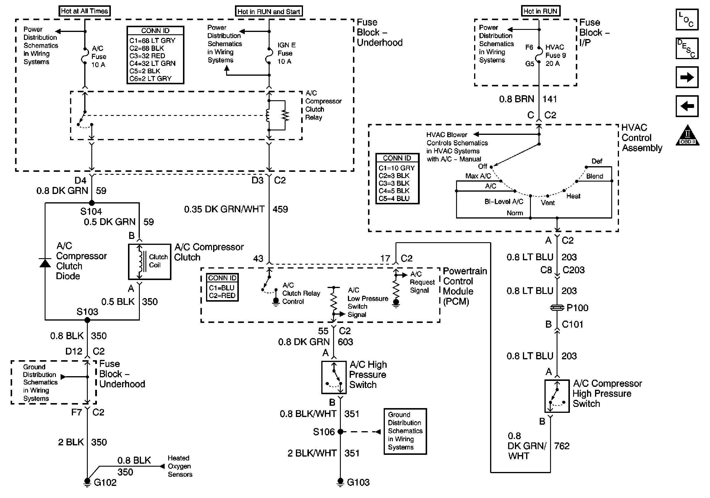
🢒 Manual A/C Compressor Control
Manual A/C Compressor Control
Manual A/C Compressor Control
Master Electrical Component List
Powertrain Control Module Description
Automatic A/C Compressor Control
Secondary AIR Pump Control
OBD II Symbol Description Notice
HTD SEAT, ATC, HVAC and A/C Fuses
IGN E Fuse and A/C Compressor, Rear Defogger, DRL Relays
Ign ACC, RUN and RAP Bus Bar
G102 (Except Export)
Heated Oxygen Sensors
G103 and G105 (4.3 L)
Blower Controls (RPO C42)