GM Service Manual Online
For 1990-2009 cars only
Makes
🢒
Chevrolet
🢒
2001
🢒
Blazer - 2WD
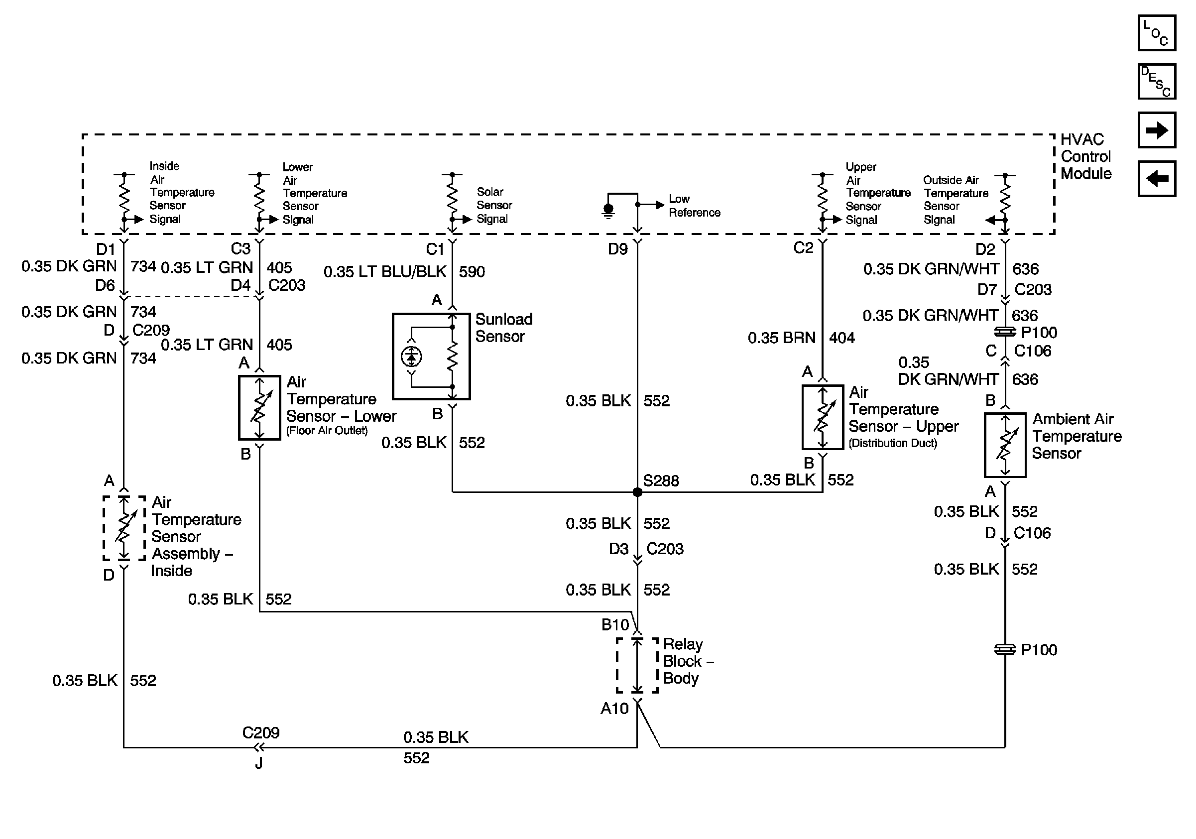
🢒 ECC Module and Temperature Sensors
ECC Module and Temperature Sensors
ECC Module and Temperature Sensors
Master Electrical Component List
Air Temperature Description and Operation
HVAC Vacuum Control Solenoid Valve Assembly and Electric Actuator
A/C Compressor Clutch Coil, Relay, Diode and High Pressure Cutoff Switch