GM Service Manual Online
For 1990-2009 cars only
Makes
🢒
Chevrolet
🢒
2001
🢒
Blazer - 2WD
🢒 Lumbar w/ Memory Seats
Lumbar w/ Memory Seats
Lumbar w/ Memory Seats
Master Electrical Component List
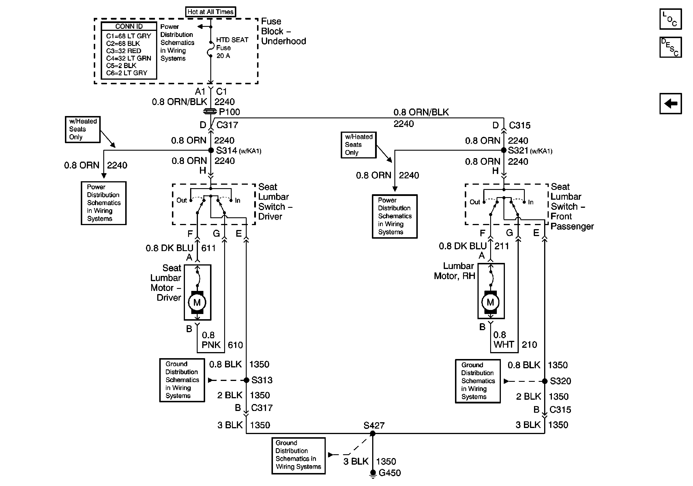
Lumbar Support Description and Operation
8-Way LH Power Seat
B+ Bus Bar
HTD SEAT, ATC, HVAC and A/C Fuses
S313 and S419
G420,G450 and S427 (Utility w/ Endgate and Crew Cab)
HTD SEAT, ATC, HVAC and A/C Fuses
S320 and S420