GM Service Manual Online
For 1990-2009 cars only
Makes
🢒
Chevrolet
🢒
2003
🢒
Blazer - 2WD
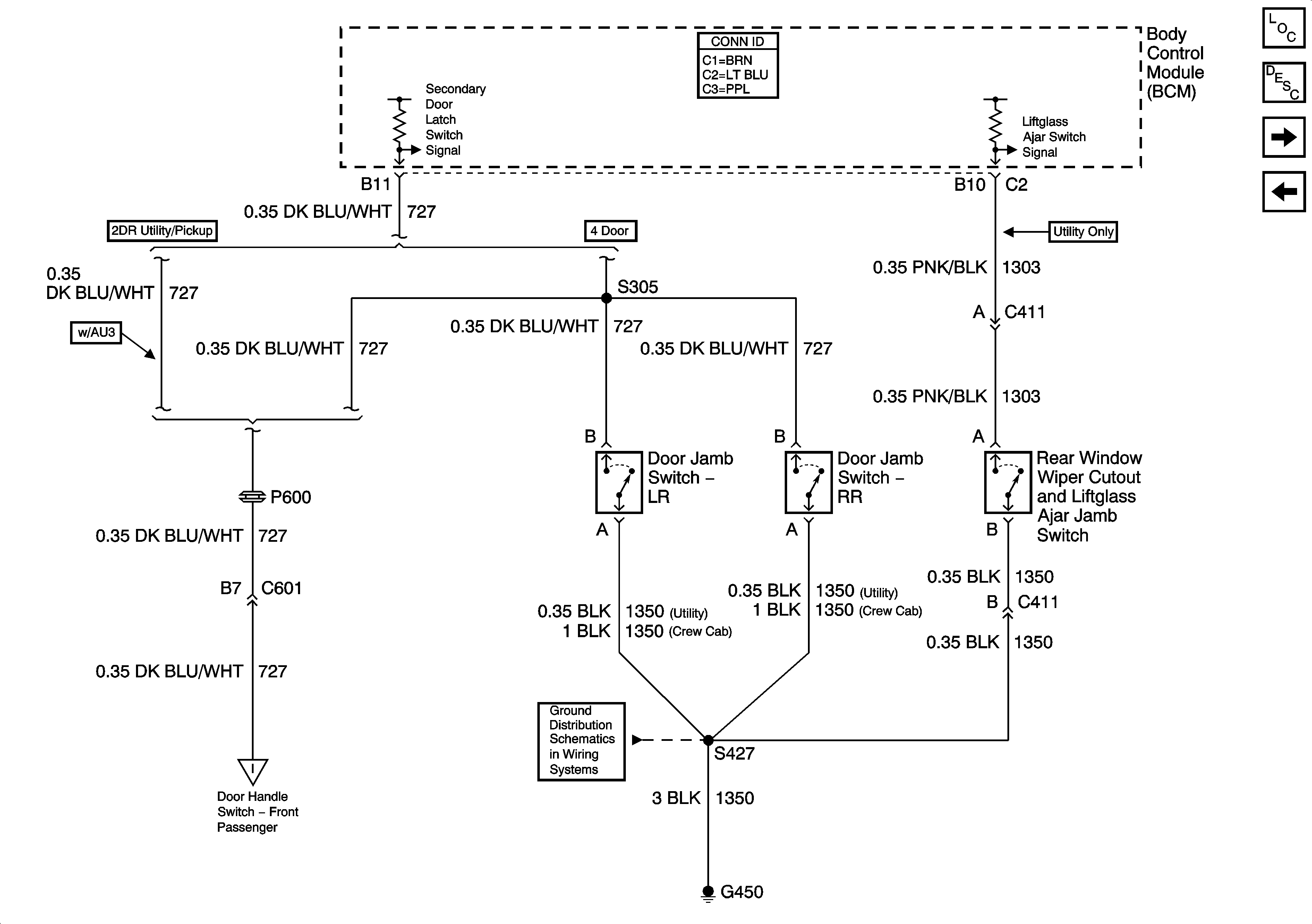
🢒 Rear Door Jamb and Liftglass Ajar Jamb Switches
Rear Door Jamb and Liftglass Ajar Jamb Switches
Rear Door Jamb and Liftglass Ajar Jamb Switches
Master Electrical Component List
Interior Lighting Systems Description and Operation
Inside Rearview Mirror or Driver Information Center
Front Door Jamb and Door Handle Switches
Front Door Jamb and Door Handle Switches
G420, G450 and S427 - Utility and Crew Cab