GM Service Manual Online
For 1990-2009 cars only
Makes
🢒
Chevrolet
🢒
2005
🢒
Blazer - 2WD
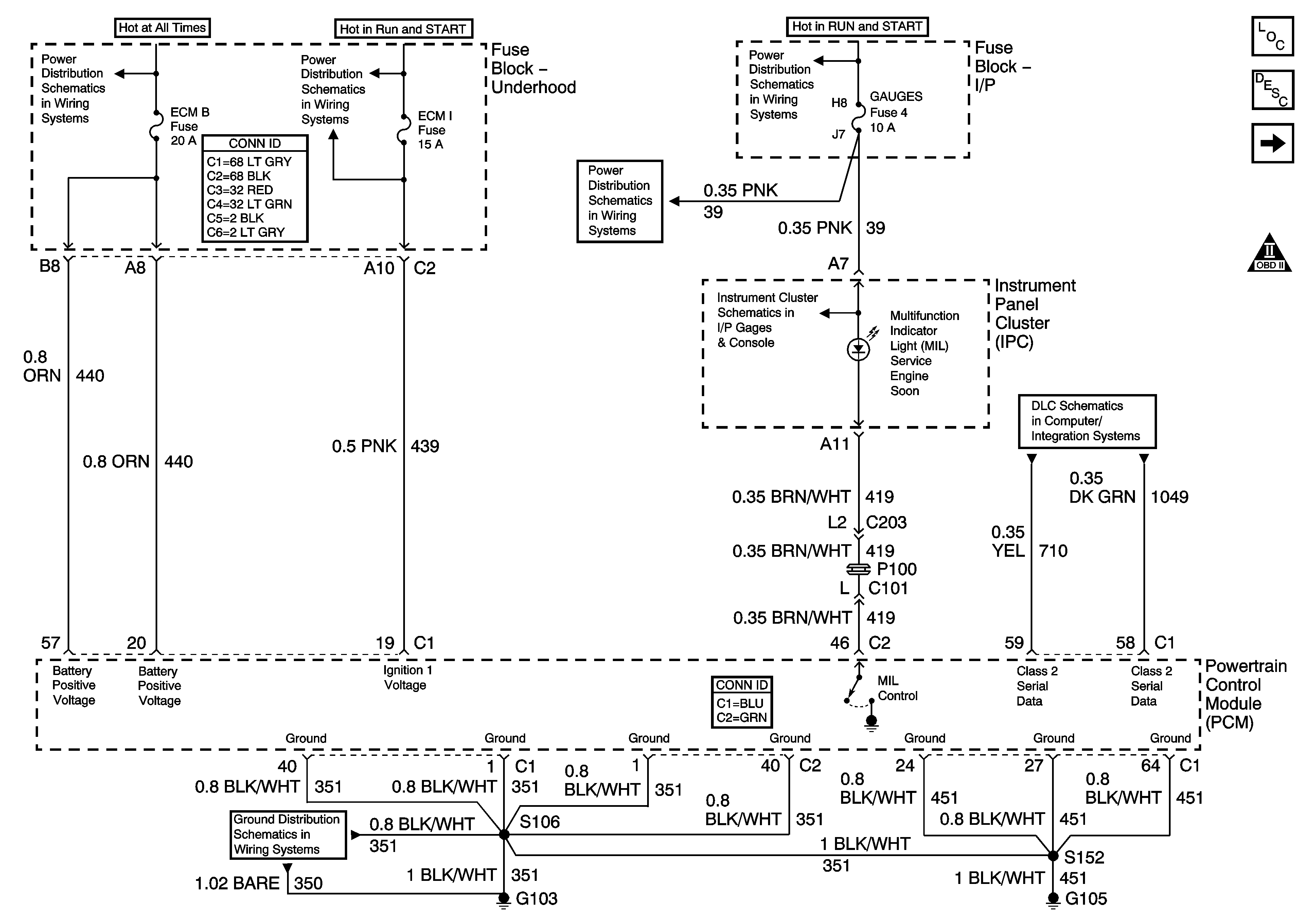
🢒 Module Power,Ground,Serial Data and MIL
Module Power,Ground,Serial Data and MIL
Module Power, Ground, Serial Data and MIL
Master Electrical Component List
Powertrain Control Module Description
Engine Data Sensors - Pressure and Temperature
OBD II Symbol Description Notice
B+ Bus Bar
ECM I Fuse
TURN, SIR and GAGES Fuses
TURN, SIR and GAGES Fuses
Indicators
04 S/T Classic DaClass 2 Serial Data
G103 and G105