GM Service Manual Online
For 1990-2009 cars only
Makes
🢒
Chevrolet
🢒
2005
🢒
Blazer - 2WD
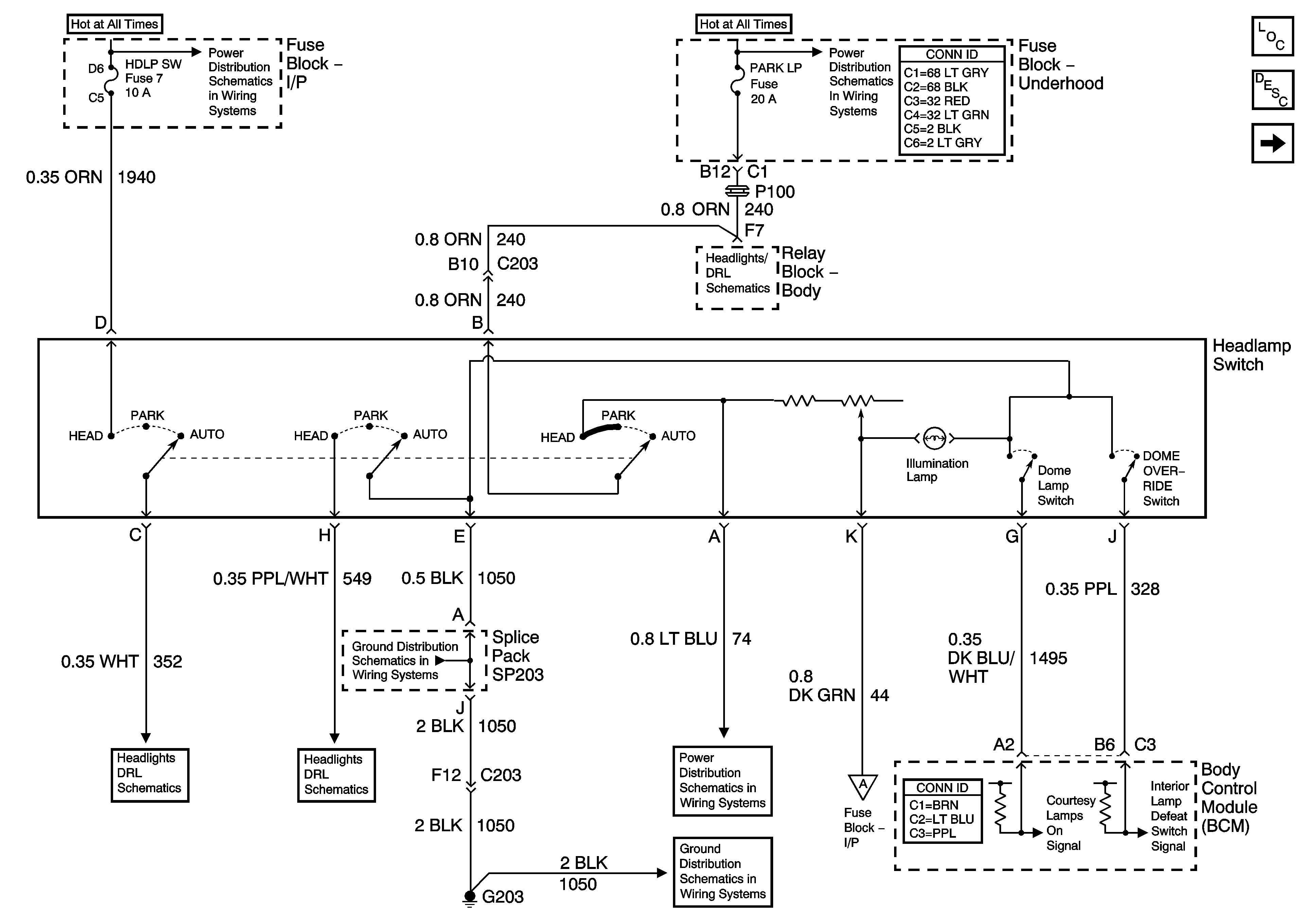
🢒 Headlamp Switch
Headlamp Switch
Headlamp Switch
Master Electrical Component List
Interior Lighting Systems Description and Operation
ILLUM Fuse 12
B+ Bus Bar
B+ Bus Bar
Headlamp Grounding Relay and BCM
Headlamp Switch, Ambient Light Sensor and BCM
Headlamp Switch, Ambient Light Sensor and BCM
G203 and G204 - Pickup
G203 and G204 - Utility w/Manual A/C
G203 and G204 - Pickup
ILLUM, STG WHL ILLUM, and PARK LP Fuses
ILLUM Fuse 12