GM Service Manual Online
For 1990-2009 cars only
Makes
🢒
Chevrolet
🢒
2005
🢒
Blazer - 2WD
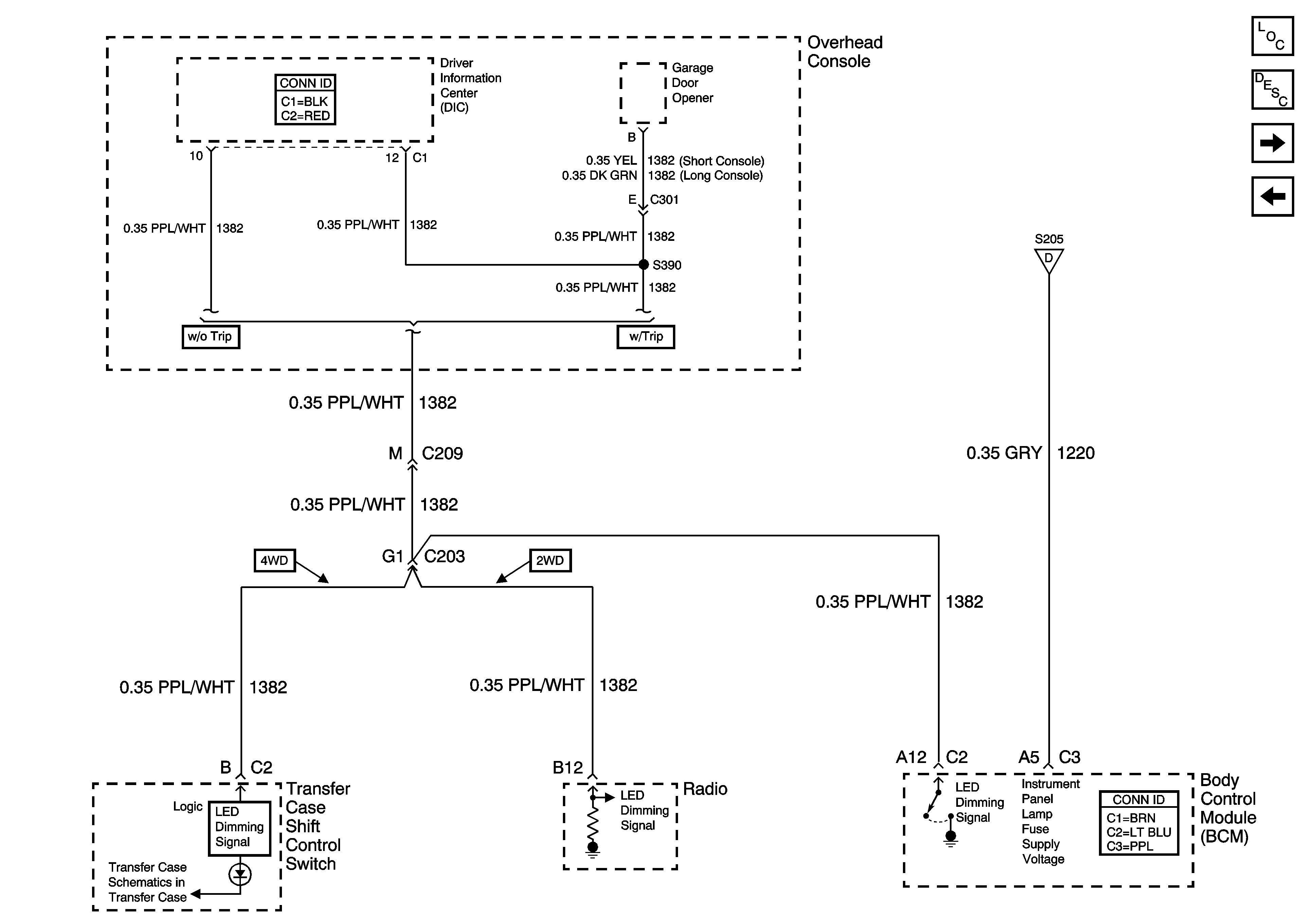
🢒 LED Dimming Signal
LED Dimming Signal
LED Dimming Signal
Master Electrical Component List
Interior Lighting Systems Description and Operation
Instrument Panel Cluster, BCM and Automatic Transmission Indicators
Steering Wheel Controls
ILLUM Fuse 12